Foram encontradas 100 questões.
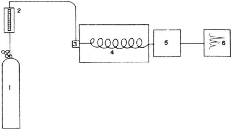
Com base no diagrama de bloco de um cromatógrafo de gás elementar (Figura abaixo), assinale a resposta que representa cada parte do cromatógrafo de gás.

Provas
Questão presente nas seguintes provas
Responda a questão, com base no Texto II
Texto II
Qualificação profissional, como ela faz falta!
Existe uma unanimidade no mercado de trabalho: qualificação faz muita falta. Essa é uma verdade sentida na pele tanto por profissionais quanto por empregadores. Os profissionais podem nem notar, talvez imaginando que “apenas um diploma basta” – pode até mesmo ser um diploma de nível superior. No entanto, muitos não se dão conta de que chegariam mais longe em suas carreiras e conseguiriam salários mais atrativos se investissem, direta (pagando do próprio bolso, na medida do possível) ou indiretamente (buscando apoio das empresas em que trabalham), na própria especialização.
As empresas também sentem, talvez mais diretamente, os efeitos da falta de qualificação. No final do ano passado, o IPEA – Instituto de Pesquisa Econômica Aplicada – divulgou um estudo que revela que apenas 18% dos desempregados brasileiros têm requisitos necessários para serem absorvidos pelo mercado de mão-de-obra especializada. A realidade aponta que há oportunidades, mas falta gente preparada para aproveitá-las.
Há, porém, casos notáveis de programas mantidos por empresas, especialmente de grande porte, visando à qualificação da mão-de-obra. Essas empresas utilizam-se de institutos que formam profissionais capacitados para seu negócio ou formam parcerias com instituições de ensino.
A educação, que é a mãe da qualificação, é a chave de um ciclo virtuoso que inevitavelmente resulta no crescimento do país e na redução das abismais desigualdades sociais. O caminho é esse, inevitavelmente.
(Jornal da Paraíba – Caderno Concursos e Empregos, domingo, 4 de maio de 2008, p. 1). Com adaptação.
Os parênteses presentes no primeiro parágrafo intercalam estruturas que indicam uma:
Provas
Questão presente nas seguintes provas
Com relação aos efeitos das perturbações sobre o equilíbrio químico, assinale a alternativa correta:
Reagentes
Produtos
Provas
Questão presente nas seguintes provas
Quanto à postura de trabalho sentado, pode-se afirmar:
Provas
Questão presente nas seguintes provas
Quanto aos EPIs, é correto afirmar:
Provas
Questão presente nas seguintes provas
Nas máquinas e equipamentos, para que seja resguardada a segurança do operador, o dispositivo de acionamento e parada deve permitir:
Provas
Questão presente nas seguintes provas
Quanto às instituições SESMT e CIPA, pode-se afirmar:
I - Tanto o SESMT quanto a CIPA são formados por profundos conhecedores de higiene e segurança no trabalho.
II - As empresas públicas ou privadas, cujos empregados sejam regidos pela CLT, podem possuir SESMT ou CIPA.
III - A CIPA é recomendada apenas para às empresas privadas.
Assinale a alternativa correta:
Provas
Questão presente nas seguintes provas
O SESMT pode ser integrado por:
Provas
Questão presente nas seguintes provas
No ambiente de trabalho o colaborador é picado por um escorpião, caracterizando um acidente de trabalho. Pode-se dizer que este acidente foi causado por:
Provas
Questão presente nas seguintes provas
Os servidores civis da União, das autarquias e das fundações públicas federais perceberão adicionais de insalubridade e de periculosidade, nos termos das normas legais e regulamentares pertinentes aos trabalhadores em geral e calculados com base em:
Provas
Questão presente nas seguintes provas
Cadernos
Caderno Container