Foram encontradas 200 questões.

O texto afirma que “Empresas (...) estão realizando intrusões em computadores pessoais” (linhas 19-22). Isso ocorre, segundo o autor:
Provas

No trecho “...algumas poucas corporações estão buscando legitimar a alteração no imaginário sociail sobre o espaço da privacidade em um mundo inseguro” (linhas 18-19), o autor afirma que algumas empresas:
Provas

O termo grifado em “...pois isto seria indispensável para um combate ágil e eficaz ao terrorismo” (linhas 10-11) refere-se:
Provas

De acordo com o texto, a espionagem americana:
Provas
Com relação às fontes de computadores do tipo ATX, assinale a alternativa correta.
Provas
Assinale a alternativa que representa o valor de saída do conversor digital analógico quando a entrada recebe o valor de 9 BCD. A chave CH1 é a menos significativa.

Provas
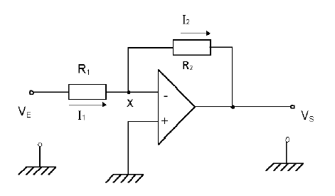
Sendo R2 = 15 Kohms e R1 = 5 Kohms, assinale a alternativa que representa o ganho do circuito da figura abaixo:

Provas
Os meios de cultura devem conter as substâncias exigidas pelas bactérias para que estas cresçam e se multipliquem. Assinale a alternativa que corresponde a esta afirmativa.
Provas
O método de coloração de Gram consiste no tratamento sucessivo de um esfregaço bacteriano, fixado pelo calor e corado com determinados reagentes. Assinale o item que contempla a ordem correta dos reagentes durante a reação.
Provas
É importante saber distinguir em qual processo de esterilização devemos empregar calor úmido ou calor seco. Baseado neste enunciado, assinale a alternativa correta.
Provas
Caderno Container