Foram encontradas 858 questões.
Ao tratar analiticamente a categoria questão social é visível o não consenso quanto à sua definição. Assim, assinale a alternativa correta quanto à autoria dessa afirmação: Desde o início dos anos oitenta, o crescimento do desemprego e o aparecimento das novas formas de pobreza parecem, de forma contrária , levar-nos tempo atrás. Mas ao mesmo tempo, vê-se claramente que não se trata de um simples retorno aos problemas do passado. Tais problemas tornaram-se estados permanentes e, como tais, exigem respostas que não podem continuar a ser pensadas em função do risco coletivo e da solidariedade como anteriormente, e sim por meio de um Estado-providência ativo.
Provas
Questão presente nas seguintes provas
O Parecer psicológico, pela Resolução 07/2003 do CFP, é composto de quatro partes; aquela que se destina à transcrição do objetivo da consulta e dos quesitos ou à apresentação das dúvidas levantadas pelo solicitante. Onde se deve apresentar a questão em tese, não sendo necessária, portanto, a descrição detalhada dos procedimentos, como os dados colhidos ou o nome dos envolvidos é:
Provas
Questão presente nas seguintes provas
No estudo de bacias sedimentares aplicado a prospecção de hidrocarbonetos, como se caracteriza a anomalia gravimétrica causada pela presença do domo salino?
Provas
Questão presente nas seguintes provas
O nervo femoral é o ramo maior do plexo lombar. Emerge na goteira entre os músculos psoas maior e ilíaco e, dirige-se para baixo, passando posterior ao ligamento inguinal para entrar na coxa. São músculos inervados pelo nervo femoral:
Provas
Questão presente nas seguintes provas
De acordo com a figura, marque a afirmativa correta em relação às propriedades geométricas de uma área.

Provas
Questão presente nas seguintes provas
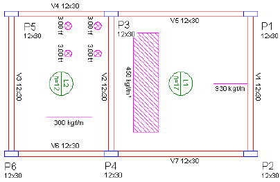
Você está atuando em uma obra que se encontra na fase de execução das estruturas, na etapa da confecção das fôrmas dos pilares e vigas. O setor de compras está no aguardo do envio do pedido de material para compra de madeira para ser utilizada na elaboração das fôrmas do Pavimento. De posse da planta de fôrma apresentada abaixo, calcule a quantidade total em metros quadrados de madeira necessária para confecção apenas dos pilares e das Vigas.
Adotar: Pé-direito de h= 2,80m
Comprimento das Vigas V1=V2=V3= 4,00m
Comprimento das Vigas V4=V6 = 2,60m
Comprimento das Vigas V5=V7 = 3,70m
Comprimento das Vigas V4=V6 = 2,60m
Comprimento das Vigas V5=V7 = 3,70m

Provas
Questão presente nas seguintes provas
- Gestão da Informação e ConhecimentoTecnologia e AdministraçãoSIG: Sistemas de Informações Gerenciais
O modelo proposto de Sistema de Informações Gerenciais a seguir indica corretamente:

Fonte: Oliveira (2009, p.25)
Provas
Questão presente nas seguintes provas
Qual o coeficiente de desempenho (COP) do ciclo de refrigeração mostrado no diagrama abaixo? Considere as entalpias específicas (h) correspondentes indicadas na tabela abaixo.
| Estado h (KJ/kg) | |
|
1
2
3
4
|
400
440
280
280
|

Provas
Questão presente nas seguintes provas
Diversos estudos sobre contaminação por metais pesados em sedimentos de rios estão sendo realizados com o objetivo de predizer ou identificar as fontes pontuais de poluição e o grau de extensão desses poluentes, uma vez que potencialmente representam uma ameaça ao equilíbrio dos ecossistemas
Dentre os equipamentos utilizados para análise de metais em sedimentos, é incorreto utilizar:
Provas
Questão presente nas seguintes provas
A Classificação Decimal de Dewey (CDD) é estruturada em classes e subclasses que herdam as características das classes mátrio-paternas de seus ancestrais. A Extended Decimal Subdivision of a DDC Topic 612.13 corresponde ao seguinte assunto:
Provas
Questão presente nas seguintes provas
Cadernos
Caderno Container