Foram encontradas 45 questões.
Passando a frase “O cientista não só inaugurou o primeiro planetário, como convidou técnicos especializados para trabalhar com ele” para o futuro do pretérito, os verbos em negrito assumem, respectivamente, as seguintes formas:
Provas
Leia o texto a seguir. Para fins de elaboração da questão, ele foi dividido em seis trechos, mas a sua sequência forma um enunciado coerente. Foi retirado e adaptado do livro Raízes do Brasil, de Sergio Buarque de Holanda (Companhia das Letras, 2016, p. 61-62):
I. Pioneiros da conquista do trópico para a civilização, tiveram os portugueses, nessa proeza sua maior missão histórica. Apesar de tudo quanto se possa alegar contra sua obra, forçoso é reconhecer que foram não somente os portadores efetivos como os portadores naturais dessa missão.
II. Nenhum outro povo do Velho Mundo achou-se tão bem armado para se aventurar à exploração regular e intensa das terras próximas à linha equatorial, onde os homens depressa degeneram, segundo o conceito generalizado na era quinhentista.
III. Essa exploração dos trópicos não se processou, em verdade, por um empreendimento metódico e racional, não emanou de uma vontade construtora e enérgica fez-se antes com desleixo e certo abandono.
IV. Dir-se-ia mesmo que se fez apesar de seus autores. E o reconhecimento desse fato não constitui desprezo, à grandeza do esforço português se o julgarmos conforme os critérios morais e políticos nele dominantes, pois encontraremos muitas e sérias falhas.
V. Nenhuma, porém, que leve com justiça à opinião extravagante defendida por um número não pequeno de detratores da ação dos portugueses no Brasil, muitos dos quais optariam, de bom grado, pelo triunfo da colonização holandesa, convictos de que nos teria levado a melhores e mais gloriosos rumos.
VI. No entanto antes de abordar esse tema, é preferível encarar certo aspecto, que parece singularmente instrutivo das determinantes psicologias do movimento de expansão colonial portuguesa pelas terras de nossa América.
Assinale as alternativas que apresentam os trechos CORRETAMENTE pontuados:
Provas
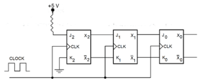
Um registrador de deslocamento de três bits foi implementado utilizando 3 flip-plops (FFs) TTL, conforme a figura a seguir:

Considerando que todos os FFs estão no estágio baixo no início da operação, podemos afirmar que a alternativa que apresenta estado real CORRETO de X2, X1 e X0, após 4 pulsos de Clock, é:
Provas
Assinale a alternativa INCORRETA:
Provas
Assinale a alternativa em que o plural do substantivo composto está CORRETAMENTE escrito:
Provas
Caderno Container