Foram encontradas 45 questões.
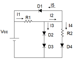
Considere o circuito a seguir:

Assinale a alternativa que apresenta os valores CORRETOS das correntes I1, I2, I3, I4 e I5:
Provas
A bobina da figura a seguir está imersa em um campo magnético de intensidade igual a 0,5 T. A área da bobina é igual a 200 cm² e é percorrida por uma corrente de 2A:

Considerando que o número de espiras é N=500, podemos afirmar que o valor CORRETO do conjugado eletromagnético sobre a bobina, quando o ângulo !$ \theta !$ for igual a 300, é:
Provas
Considere o circuito indutivo da figura a seguir, onde v(t)=10.!$ sen\omega t !$ [Volts] e L1=2H, L2=4H e L3=12H. A resistência de saída da fonte é igual a R0=5,0 !$ \Omega !$ e a frequência f=0 Hz.
Os valores da indutância equivalente medida nos terminais “a” e “b” da fonte e da corrente total no circuito são, respectivamente:
Provas
Dois fios retos são colocados em paralelo um com o outro, transportando as correntes I1 e I2, respectivamente. Admitindo-se que as correntes fluem no mesmo sentido, que os fios distam um do outro de 0,5m e que a corrente I1=20I2, assinale a alternativa que apresenta a relação CORRETA entre as forças magnéticas F1 e F2 entre os condutores:
Provas
Um técnico de laboratório necessita medir o valor da isolação do óleo de um transformador e de uma máquina com isolamento sólido. Podemos afirmar que:
Provas
Um TP e um TC são utilizados para fornecer os valores de tensão e corrente a um wattímetro, conforme indicado no circuito a seguir. Um técnico deseja verificar se os valores medidos estão corretos. As relações do TP e do TC são, respectivamente, 150:1 e 50:1.

Sabendo-se que o valor eficaz da tensão aplicada ao circuito é 69kV e a indicação do wattímetro é 0,92kW, o valor da corrente eficaz é:
Provas
Deseja-se medir a corrente de um dado circuito com um amperímetro, cuja classe de exatidão é igual a 0,5. Sabe-se que o amperímetro utilizado possui escala graduada que varia de 0 a 500mA. Assinale a alternativa CORRETA:
Provas
Deseja-se monitorar o consumo de energia de uma residência em kWh. Um técnico é chamado e verifica as leituras de dois meses em sequência. As leituras obtidas são apresentadas na figura a seguir:

Assinale a alternativa CORRETA:
Provas
Considere o osciloscópio da figura a seguir e o sinal que aparece na tela:

Tomando como base os ajustes apresentados, assinale a alternativa que indica, respectivamente, os valores CORRETOS da tensão de pico (VP), da tensão pico a pico (VPP) e a frequência do sinal (f):
Provas
As memórias são classificadas por tipos, sendo as mais comuns as do tipo RAM, ROM, Magnética e as Ópticas. Assinale a alternativa que contém APENAS memórias do tipo RAM:
Provas
Caderno Container