Foram encontradas 192 questões.
Transformadores de potência são equipamentos
essenciais para o sistema de transmissão e distribuição
de energia elétrica e podem ser utilizados tanto para a
elevação quanto para a redução dos níveis de tensão de
acordo com a demanda. Considerando a análise de um
transformador de potência trifásico, rebaixador de
tensão, utilizado no sistema de distribuição brasileiro,
assinale a alternativa correta.
Provas
Questão presente nas seguintes provas
A NR-6 trata dos Equipamentos de Proteção Individual
(EPIs). Sobre essa norma, assinale a alternativa correta.
Provas
Questão presente nas seguintes provas
Durante uma fiscalização, uma determinada empresa
apresenta EPIs sem certificado de aprovação (CA).
Sobre a obrigatoriedade do CA, assinale a alternativa
correta.
Provas
Questão presente nas seguintes provas
Uma determinada empresa estabeleceu que, para a
execução de uma atividade em laboratório, os
colaboradores devem utilizar EPI (óculos de proteção).
Sobre a determinação da empresa e levando em
consideração a NR-6, assinale a alternativa correta.
Provas
Questão presente nas seguintes provas
Observe o circuito a seguir e assinale a alternativa que
apresenta o valor da tensão sobre o resistor de 5 Ω no
domínio do tempo.


Provas
Questão presente nas seguintes provas
Segundo a NR-10 (Segurança em Instalações e Serviços
em Eletricidade), é obrigação do empregador
Provas
Questão presente nas seguintes provas
A modulação PWM pode ser utilizada para controlar a
potência entregue para uma carga. Considerando que
um controlador PWM é utilizado para o ajuste da
potência dissipada por um resistor de 10 Ω, e que o sinal
de PWM tem uma tensão de 20V, com duty cycle de
70% e frequência de 60Hz, assinale a alternativa que
apresenta a potência média dissipada pelo resistor.
Provas
Questão presente nas seguintes provas
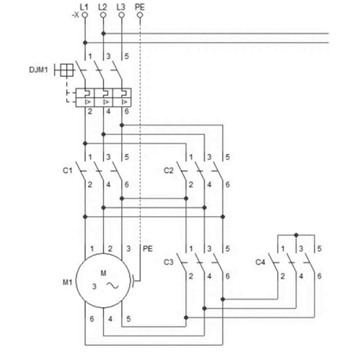
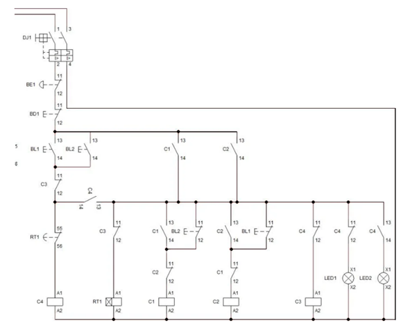
A seguir são apresentados os diagramas de um circuito de comando e de potência de um motor.


Provas
Questão presente nas seguintes provas
A Constituição Federal de 1988 estabelece a
observância do processo de licitação pela União,
Estados, Distrito Federal e Municípios, e dispõe, no
Art. 37, inciso XXI, que a administração pública
obedecerá aos princípios de
Provas
Questão presente nas seguintes provas
A Lei Estadual nº 20.537/2021 dispõe sobre as relações
entre as Instituições de Ensino Superior, os Hospitais
Universitários e os Institutos de Ciência e Tecnologia
públicos do estado do Paraná e suas Fundações de
Apoio. Subordinam-se às normas dessa Lei:
I. as Instituições de Ensino Superior do Paraná (IEES);
II. os Hospitais Universitários (HUs);
III. as Fundações de Apoio criadas na forma da Lei;
IV. os Institutos de Ciência e Tecnologia privados (ICTs).
Estão corretas
I. as Instituições de Ensino Superior do Paraná (IEES);
II. os Hospitais Universitários (HUs);
III. as Fundações de Apoio criadas na forma da Lei;
IV. os Institutos de Ciência e Tecnologia privados (ICTs).
Estão corretas
Provas
Questão presente nas seguintes provas
Cadernos
Caderno Container