Foram encontradas 192 questões.
Uma indústria química possui tanques fechados onde
são realizados processos de mistura de produtos
químicos. Antes de realizar qualquer intervenção interna,
a equipe de manutenção deve seguir todos os
procedimentos exigidos pela NR-33. Considerando os
requisitos dessa norma, assinale a alternativa
Provas
Questão presente nas seguintes provas
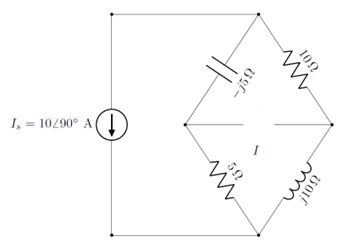
No circuito a seguir, determine o circuito equivalente de Norton.

Provas
Questão presente nas seguintes provas
Uma empresa projeta a proteção contra descargas
atmosféricas de um prédio comercial de 50m de altura,
situado em uma região com alta incidência de
tempestades. Segundo a ABNT NBR 5419,
considerando os sistemas de captação, descida e
aterramento, assinale a alternativa correta.
Provas
Questão presente nas seguintes provas
Uma concessionária de energia solicitou a inspeção de
um sistema trifásico de média tensão, 4 fios (3 fases +
neutro), instalado em uma subestação de distribuição.
Durante a vistoria, foi fornecido um diagrama unifilar que
indica apenas as cores dos condutores, sem especificar
a sequência de fases. Considerando que a subestação
segue a ABNT NBR 14039 no sistema de identificação
por cores, assinale a alternativa correta.
Provas
Questão presente nas seguintes provas
No circuito a seguir, calcule o circuito equivalente de
Thévenin nos terminais da carga RL e assinale a
alternativa correta.


Provas
Questão presente nas seguintes provas
De acordo com a ABNT NBR 5419, que trata da proteção
de estruturas contra descargas atmosféricas, assinale a
alternativa correta.
Provas
Questão presente nas seguintes provas
Em um sistema de aterramento TN-S, a função do
condutor de proteção PE é
Provas
Questão presente nas seguintes provas
Os minidisjuntores são dispositivos de proteção
amplamente utilizados em instalações elétricas de baixa
tensão. Considerando suas características técnicas,
assinale a alternativa correta.
Provas
Questão presente nas seguintes provas
Sobre a obrigatoriedade de treinamento para uso de
EPIs prevista na NR-6, assinale a alternativa correta.
Provas
Questão presente nas seguintes provas
A figura a seguir representa três áreas concêntricas
relacionadas à segurança em instalações elétricas,
conforme a NR-10 (Anexo II – Trabalhos em
proximidade).
Assinale a alternativa que define corretamente cada área, partindo da mais interna para a mais externa.
Assinale a alternativa que define corretamente cada área, partindo da mais interna para a mais externa.
Provas
Questão presente nas seguintes provas
Cadernos
Caderno Container