Foram encontradas 40 questões.
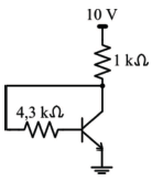
Seja um transistor bipolar polarizado com realimentação do coletor, como no circuito representado pela figura a seguir.

Sabendo que suas tensões de polarização direta das junções base-emissor e coletor-emissor são, respectivamente, de 0,7 V e 5 V, assinale a alternativa que apresenta, corretamente, a corrente de base, IB, e o coletor, IC.
Provas
Seja um transistor bipolar polarizado para operar como chave, de acordo com o circuito representado pela figura a seguir.

Sabendo que na entrada, VIN, foi injetado um sinal TTL, ou seja, com valor de pico de 5 V e que esse transistor apresenta uma tensão de polarização direta na junção base-emissor de 0,7 V e uma tensão de saturação na junção coletor-emissor de 0,4 V, considere as afirmativas a seguir.
I. Esse transistor opera com um \( \beta \) (beta) forçado de 10.
II. A corrente na base, quando esta recebe 5 V na entrada, é de 4,3 mA.
III. A corrente de saturação no coletor é de 86 mA.
IV. A tensão de saída, VOUT , desse circuito apresenta a mesma frequência do sinal de entrada, VIN, porém defasada de 180°.
Assinale a alternativa correta.
Provas
Para o circuito representado pela figura a seguir, uma tensão de polarização da base é estabelecida pela relação do divisor de tensão formado pelos resistores R1 e R2.

Considerando que a junção base-emissor do transistor bipolar esteja com polarização direta de 0,7 V, assinale a alternativa que apresenta, corretamente, a corrente de polarização de emissor.
Provas
O diodo Zener é um dispositivo semicondutor que pode ser usado em um circuito para regular a tensão elétrica. Considerando o circuito representado pela figura a seguir e sabendo que a tensão de ruptura reversa do diodo Zener é de 5 V para uma corrente 100 mA \( \le I_Z \le 1\,A \) , calcule RS para que a tensão na carga RL esteja sempre regulada em 5 V enquanto o sinal de entrada, VIN, do circuito varia em uma faixa de ±10% do seu valor nominal de 10 V.

Assinale a alternativa que apresenta, corretamente, o valor de RS.
Provas
Uma rede elétrica de 127 V de pico está ligada a um transformador com relação de espiras N, entre o primário e o secundário. Esse transformador está acoplando esse sinal da rede a um retificador de meia onda, cuja tensão de polarização direta do diodo é de 0,7 V e a tensão de pico fornecida para a carga é de 12 V. Considerando essas características, assinale a alternativa que apresenta, corretamente, o valor de N.
Provas
Para que o sinal da rede de energia elétrica seja ligado aos aparelhos eletrônicos, é necessário que este seja adequado à entrada do equipamento. Uma das formas para isso é através dos retificadores de sinais a diodo. A respeito desse tipo de circuito, atribua V (verdadeiro) ou F (falso) às afirmativas a seguir.
( ) No retificador em ponte, por possuir quatro diodos, a tensão de pico fornecida à carga sofre uma queda de tensão de quatro vezes a tensão de polarização dos diodos.
( ) O retificador de meia onda tem a capacidade de alterar a frequência do sinal de entrada logo após passar pelo diodo, tornando-o, assim, pronto para o uso em aparelhos eletrônicos que necessitam de alimentação DC.
( ) O retificador de onda completa pode ser implementado utilizando apenas dois diodos, desde que o transformador que acopla o sinal da rede ao circuito possua derivação central.
( ) O retificador em ponte é uma variação do meia-onda, que não altera a frequência do sinal logo após passar pelos diodos.
( ) O retificador de meia onda é aquele em que se utiliza um único diodo, que conduzirá em apenas um semiciclo do sinal da rede.
Assinale a alternativa que contém, de cima para baixo, a sequência correta.
Provas
Analise a figura a seguir.

Considerando os dados apresentados na figura, assinale a alternativa que apresenta, corretamente, a altura do sólido, em cm.
Provas
Analise o gráfico a seguir, que ilustra o desempenho dos Cursos e Eventos de Extensão da UEL, e responda à questão.

(Adaptado de: UEL em dados 2014: uma universidade em evolução. Gestão 2010-2014. Londrina: UEL, 2014. p.29.)
Seja f a função representada pelo gráfico. Sabendo que f está em função do tempo t, assinale a alternativa correta.
Provas
Leia o texto e analise o quadro a seguir e responda à questão.
Os estudantes de graduação da UEL que participam de projetos de pesquisa sob a orientação de professores pesquisadores contam com bolsa de Iniciação Científica concedidas pelo CNPq, pela Fundação Araucária e pela própria UEL. Em 2013, foram distribuídas as bolsas conforme o quadro a seguir.
|
Programas de Apoio à Pesquisa |
||
|
Tipo de Bolsa |
Órgão de Fomento | Quantidade |
|
Inclusão Social |
Fundação Araucária | 160 |
|
Iniciação Científica Júnior |
Fundação Araucária | 90 |
|
Iniciação Científica |
Fundação Araucária | 185 |
|
Iniciação Científica Júnior |
CNPq | 28 |
|
Iniciação Científica |
CNPq | 265 |
|
Iniciação Desenvolvimento Tecnológico |
CNPq | 29 |
|
Iniciação Científica |
UEL | 224 |
|
Iniciação Desenvolvimento Tecnológico |
UEL | 15 |
(Adaptado de: UEL em dados 2014: uma universidade em evolução. Gestão 2010-2014. Londrina: UEL, 2014. p.20.)
Necessita-se fazer uma lista com os dados do quadro, na qual os tipos de bolsa estejam ordenados pelos mesmos órgãos de fomento, como o exemplo que se mostra no quadro. Nessas condições, assinale a alternativa que apresenta, corretamente, o número de possibilidades de elaborar essa lista.
Provas
Supondo que o juro da poupança esteja a 0,5% ao mês, assinale a alternativa que apresenta, corretamente, o tempo que um determinado capital deve ser aplicado, a juros simples, para que o montante a ser resgatado seja o capital investido mais 50%.
Provas
Caderno Container