Foram encontradas 943 questões.
O Nm (Newton-metro) e o KW (Kilowatt) são, respectivamente, as novas unidades de medidas determinadas pela ABNT para
Provas
Em motores de combustão interna do ciclo Otto, o componente que determina a ordem de ignição é
Provas
O que faz com que ocorra um aumento na cilindrada e um aumento na taxa de compressão, quando um motor é retificado, é
Provas
Se uma das velas de ignição de um motor do ciclo Otto a gasolina equipado com injeção eletrônica estiver com os seus eletrodos totalmente fechados, a leitura da tensão da sonda lâmbda
Provas
O motivo pelo qual o sistema de ignição de um motor do ciclo Otto a gasolina faz com que ocorra o centelhamento na vela antes do pistão atingir o PMS é
Provas
Dos quatro tempos do motor de ciclo Otto, o único que produz trabalho é o tempo de combustão e o tempo que rouba um pouco dessa força é o tempo de
Provas
A bateria de um veículo está com pouca carga, sendo necessária a utilização de uma bateria auxiliar para dar a partida no motor. Para isso a bateria auxiliar deve ser ligada à bateria principal em
Provas
Atenção: As questões de números 1 a 10 baseiam-se no texto apresentado abaixo.

Os cientistas esforçam-se por mostrar que existe arte por trás das equações.
Artistas contemporâneos procuram aproximar-se da ciência.
Observa-se um esforço recíproco na tentativa de recuperar uma antiga fórmula da filosofia grega.
Na filosofia grega, beleza é igual a verdade.
As frases acima articulam-se em um único período, com clareza, correção e lógica, da seguinte maneira:
Provas
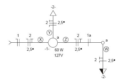
Atenção: Considere o esquema abaixo para responder às questões de números 58 a 60. O esquema unifilar contém um erro em um dos eletrodutos identificados por X, Y, Z e W.

O erro no esquema unifilar encontra-se indicado em:
Provas
Atenção: Considere o esquema abaixo para responder às questões de números 58 a 60. O esquema unifilar contém um erro em um dos eletrodutos identificados por X, Y, Z e W.

A indicação 2,5 • significa
Provas
Caderno Container