Foram encontradas 1.700 questões.
A Figura abaixo apresenta um esquema de acionamento de um motor trifásico:

Em relação ao exibido nesse esquema, considere as afirmativas abaixo:
I - A botoeira NA desliga o motor.
II - A chave S mantém o motor energizado.
III - A botoeira NF liga o motor.
Está correto o que se apresenta APENAS na(s) afirmativa(s)
Provas
Uma carga monofásica do tipo impedância constante,composta por uma resistência de 3 ohms e indutância de 0,05/π Henry, é alimentada por uma fonte de tensão ideal,senoidal, de 100 V e 40 Hz.
A corrente elétrica na carga, em ampères, é igual a
Provas
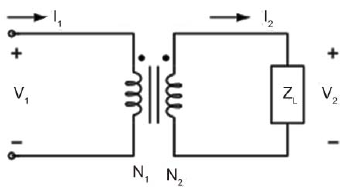
Uma vez que foi medida uma tensão alternada de 100 V no primário V1, e que a carga ZL mostrada na Figura é puramente resistiva e de valor de 1000 Ω, a corrente I2, em ampere, é de
Provas
Um motor elétrico trifásico possui corrente nominal igual a 125 A. Sabe-se que a corrente de partida direta é igual a 8 vezes a corrente nominal, e que o tempo de partida é 10 segundos. O fusível de proteção é do tipo NH, e suas curvas estão na Figura abaixo:

Tomando-se por base as informações apresentadas, o menor valor do fusível a ser adotado, em ampères, é
Provas
A expressão da matriz M é:
Provas
Um equipamento de medida possui calibre 250 um, e sua classe de exatidão é 4%, em que um é unidade de medida hipotética.
O limite do erro que pode ser cometido em qualquer medida realizada pelo equipamento, em um, é:
Provas
Um motor de indução trifásico (MIT), 220 V, 6 polos, 60 Hz, ligação Y opera com um escorregamento de 5%. Esse motor drena da rede elétrica uma corrente de 40 A e opera com um fator de potência 0,8 (indutivo).
Sabendo-se que as perdas do motor, nessas condições de operação, são 1.200 W, o valor aproximado do torque mecânico aplicado à carga, em Nm, é
Provas
Uma fonte senoidal alimenta uma carga reativa indutiva que solicita uma potência reativa igual a 1/√3 do valor da potência ativa.
A impedância desse equipamento é igual a 50 Ω, e o valor da sua reatância indutiva é, em ohms, igual a
Provas
Analisando-se a Figura mostrada acima e sabendo-se que o circuito de campo do gerador é sujeito à saturação, constata-se que essa curva corresponde à característica terminal típica do gerador de corrente contínua
Provas
Considere a Figura a seguir que mostra um trecho de uma rede de distribuição aérea.

O dispositivo destacado na Figura é um(a)
Provas
Caderno Container