Foram encontradas 1.700 questões.
Uma comissão de engenheiros foi incumbida de avaliar quatro projetos de malhas de aterramento, denominados projetos P1, P2, P3 e P4.
A Tabela abaixo exibe os resultados do dimensionamento de cada projeto referentes a critérios de potencial de toque e de passo

Sabe-se, ainda, que os potenciais de toque e de passo admissíveis são, respectivamente, 700 V e 1900 V. Atende(m) aos critérios de dimensionamento APENAS o(s) projeto(s)
Provas
Linhas de transmissão de energia são sistemas complexos que demandam certas peculiaridades em sua construção, de modo a melhorar o seu desempenho.
Dentre as soluções desenvolvidas na construção das linhas de transmissão, uma delas é a transposição, que tem por principal finalidade reduzir
Provas
Provas
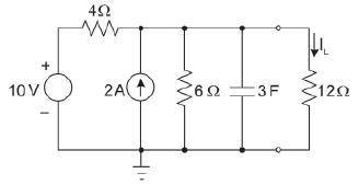
Nessas condições, a corrente IL que passa pelo resistor de 12 Ω, medida em ampères, é
Provas
A Figura abaixo apresenta uma sala com o traçado da linha de uma instalação elétrica. O circuito que alimentará as duas luminárias chega de uma dependência contígua à sala, tendo sua fase conectada ao interruptor w2.

Para o correto funcionamento dos interruptores no comando simultâneo das luminárias, é necessário que no trecho B da linha passem os seguintes condutores:
Provas
Considere o seguinte esquema de medição a dois wattímetros de uma carga trifásica a 3 fios:

Acerca desse esquema de medição, considere as seguintes afirmativas:
I - Esse esquema é aplicável em cargas em estrela, tanto equilibradas quanto desequilibradas.
II - Esse esquema é aplicável em cargas em triângulo, tanto equilibradas quanto desequilibradas.
III - Esse esquema é aplicável em cargas equilibradas, tanto em estrela quanto em triângulo.
Estão corretas as afirmativas
Provas
Em uma pequena fábrica, a demanda de potência ativa é de 800π watts com fator de potência de 0,8 indutivo. O fornecimento de energia elétrica é feito por uma rede elétrica monofásica com tensão fase-neutro de valor eficaz de 200 V e com frequência de 60 Hz.
Desejando-se instalar um capacitor, entre a fase e o neutro, para corrigir o fator de potência, tornando-o unitário, o valor, em μF , da capacitância desse capacitor deve ser
Provas
Qual o valor RMS eficaz aproximado desse sinal?
Dado √2 =1,4 √3 = 1,7
Provas
Um circuito terminal de 20 m e queda de tensão de 2% alimenta uma carga monofásica pontual de 1.000 VA.
Sabendo-se que a tensão de fase da instalação onde essa carga se encontra é 200 V, a queda de tensão unitária, em V/A.km, do circuito é
Provas
Analisando-se um processo de controle típico de malha fechada, que pode ser encontrado na indústria, é possível identificar a planta, o sensor, o transmissor, o controlador e o atuador como sendo as etapas necessárias para controlar um processo a partir de uma ou muitas variáveis.
Considerando-se essas etapas, citadas acima, o atuador consiste em
Provas
Caderno Container