Foram encontradas 1.700 questões.
A UCE (Unidade de Controle Eletrônico) é um controlador, com microprocessador embarcado, que os carros modernos
possuem para controlar o funcionamento do motor. Isso é feito através da coleta de vários tipos de dados e da atuação
sobre o motor.
Um dos modos de atuação é no controle dos bicos injetores de combustível, que trabalham sob comando elétrico, podendo estar em 2 estados: aberto (injeta combustível) e fechado (não injeta combustível).
Assumindo que as saídas dos bicos injetores são abertas uma vez a cada rotação do eixo do motor, que o motor gira a 2.400 rpm, e que essa injeção é feita durante 20% do tempo, qual é o tempo em que a UCE deve comandar a abertura dos bicos injetores a cada rotação do motor?
Um dos modos de atuação é no controle dos bicos injetores de combustível, que trabalham sob comando elétrico, podendo estar em 2 estados: aberto (injeta combustível) e fechado (não injeta combustível).
Assumindo que as saídas dos bicos injetores são abertas uma vez a cada rotação do eixo do motor, que o motor gira a 2.400 rpm, e que essa injeção é feita durante 20% do tempo, qual é o tempo em que a UCE deve comandar a abertura dos bicos injetores a cada rotação do motor?
Provas
Questão presente nas seguintes provas
A Figura 1 abaixo mostra a conexão de 3 Leds em 3 saídas distintas da porta de 8 bits (PORTA B) de um microcontrolador. O registro interno de E/S (Entrada/Saída) do microcontrolador referente a essa porta tem configuração mostrada na
Figura 2, em que cada bit “PORTA Bx” está associado à saída física “Bx”, onde x varia de 0 (bit menos significativo – LSB) a
7 (bit mais significativo – MSB).
Escrevendo-se um “1” no bit “PORTA Bx” implica sair “1” lógico na saída Bx. Analogamente, escrevendo-se um “0” no bit “PORTA Bx” implica sair “0” lógico na saída Bx. A voltagem de saída do “1” lógico é +5 V, e a do “0” lógico é 0 V, e todas as 8 portas da PORTA B estão programadas como saída.
Um valor em binário que acende todos os Leds da Figura 1, se escrito no registro de E/S da PORTA B é
Escrevendo-se um “1” no bit “PORTA Bx” implica sair “1” lógico na saída Bx. Analogamente, escrevendo-se um “0” no bit “PORTA Bx” implica sair “0” lógico na saída Bx. A voltagem de saída do “1” lógico é +5 V, e a do “0” lógico é 0 V, e todas as 8 portas da PORTA B estão programadas como saída.
Um valor em binário que acende todos os Leds da Figura 1, se escrito no registro de E/S da PORTA B é
Provas
Questão presente nas seguintes provas
O cálculo da corrente de polarização no transistor Q1
da Figura abaixo pode ser simplificado se o circuito em questão for
substituído por um equivalente mais simples que o original, mas que produza o mesmo resultado.
Nesse sentido, o circuito equivalente ao apresentado acima que produz a mesma corrente de polarização no transistor Q1 será:
Nesse sentido, o circuito equivalente ao apresentado acima que produz a mesma corrente de polarização no transistor Q1 será:
Provas
Questão presente nas seguintes provas
Considere o trecho de uma malha de automação representado pela Figura abaixo. 
Ele identifica o controle, que é de um(a)

Ele identifica o controle, que é de um(a)
Provas
Questão presente nas seguintes provas
Considere a resposta em frequência de um acelerômetro, entre a tensão de saída e a aceleração de entrada, para
um conjunto de parâmetros típicos, mostrada nos Diagramas de Bode da Figura. Essas informações referem-se
à questão.

Provas
Questão presente nas seguintes provas
Um controlador deve se comunicar com um sensor utilizando o protocolo I2C (“Inter-Integrated Circuit”), com os sinais SDA
(“Serial Data”) e SCL (“Serial Clock”) – ver diagrama abaixo.

Assume-se que: • os sinais SDA e SCL são gerados a partir de saídas do tipo “open-drain”; • não existem resistores de “pull-up” internos aos dispositivos (controlador e sensor), existem somente os resistores de “pull-up” externos R1 e R2; • no controlador e no sensor, a corrente máxima com a saída ativada (tensão baixa) para SDA e SCL é 5 mA cada; • no controlador e no sensor, a corrente de entrada quando a saída não está ativada, (tensão baixa) para SDA e SCL, pode ser considerada desprezível.
Se VCC = +5 V, e a tensão máxima para se considerar o zero lógico é +0,4 V, quais são os valores mínimos, em ohm, de R1 e R2, respectivamente?

Assume-se que: • os sinais SDA e SCL são gerados a partir de saídas do tipo “open-drain”; • não existem resistores de “pull-up” internos aos dispositivos (controlador e sensor), existem somente os resistores de “pull-up” externos R1 e R2; • no controlador e no sensor, a corrente máxima com a saída ativada (tensão baixa) para SDA e SCL é 5 mA cada; • no controlador e no sensor, a corrente de entrada quando a saída não está ativada, (tensão baixa) para SDA e SCL, pode ser considerada desprezível.
Se VCC = +5 V, e a tensão máxima para se considerar o zero lógico é +0,4 V, quais são os valores mínimos, em ohm, de R1 e R2, respectivamente?
Provas
Questão presente nas seguintes provas
Em uma planta de automação, existe um controlador proporcional de ação reversa, que é sensibilizado por um
desvio que se manifesta a uma taxa de 10% a cada 20s.
Sabendo-se que a faixa proporcional é de 12,5%, o percentual de variação produzida na saída do controlador, ao
final dos primeiros 5 segundos, é igual a
Provas
Questão presente nas seguintes provas
Em uma planta industrial, uma bomba de combustível é
utilizada para bombear óleo diesel para um tanque de armazenamento.
Quando acionada, essa bomba mantém a
vazão de óleo constante em 20 litros por minuto. O acionamento
dessa bomba é comandado por um Controlador
Lógico Programável (CLP), cuja programação em linguagem
ladder está ilustrada abaixo, onde B é o sinal que
aciona a bomba quando em nível lógico alto.
Na Figura também é mostrada a evolução no tempo dos sinais de comando X1 e X2.
Considerando-se que o tanque de armazenamento inicia a sua operação em t = 0 completamente vazio, qual será o volume, em litros, de óleo diesel armazenado nesse mesmo tanque no instante t = 10 min?
Na Figura também é mostrada a evolução no tempo dos sinais de comando X1 e X2.
Considerando-se que o tanque de armazenamento inicia a sua operação em t = 0 completamente vazio, qual será o volume, em litros, de óleo diesel armazenado nesse mesmo tanque no instante t = 10 min?
Provas
Questão presente nas seguintes provas
Um controlador PID introduz na malha aberta de um sistema de controle
Provas
Questão presente nas seguintes provas

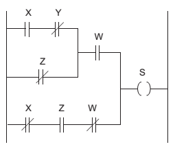
No diagrama lógico, escrito em linguagem ladder, apresentado na Figura acima, fixando-se a entrada Z = 1, a saída S será dada por:
Provas
Questão presente nas seguintes provas
Cadernos
Caderno Container