Foram encontradas 70 questões.
Sistemas especialistas ocupam lugar privilegiado na área de Inteligência Artificial, mesmo com o avanço de outras áreas. Esses sistemas capturam conhecimento tácito de especialistas e podem ser utilizados em processos complexos de tomada de decisão como, por exemplo, diagnósticos médicos.
NÃO é característica dos sistemas especialistas
Provas
Provas
A Figura a seguir exibe um modelo E-R composto por duas entidades e uma relação.

Qual diagrama de Venn contém uma relação que atende às regras de multiplicidade definidas no modelo E-R acima?
Provas
O banco de dados de uma empresa contém as tabelas a seguir, que são usadas para controlar as compras de materiais de escritório.

Sabe-se que um fornecedor pode vender muitos materiais, e um material pode ser vendido por vários fornecedores.
Provas
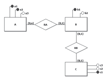
A Figura abaixo exibe um modelo E-R.

Os identificadores das entidades A, B e C são, respectivamente, (a1,a2), b1 e c1.
Considere que, na transformação desse modelo para um conjunto de Tabelas relacionais, todos os atributos serão tratados como strings com exatamente 10 caracteres.
Qual esquema relacional preserva a semântica do modelo E-R acima?
Provas
O banco de dados de uma empresa contém as tabelas a seguir, que são usadas para controlar as compras de materiais de escritório.

Sabe-se que um fornecedor pode vender muitos materiais, e um material pode ser vendido por vários fornecedores.
As Figuras abaixo exibem os dados que se encontram armazenados nas Tabelas usadas para controlar as compras de materiais de escritório.

Considerando as informações apresentadas, qual comando SQL será executado sem erro?
Provas
Um desenvolvedor recebeu um conjunto de dados representando o perfil de um grupo de clientes, sem nenhuma informação do tipo de cada cliente, onde cada um era representado por um conjunto fixo de atributos, alguns contínuos, outros discretos. Exemplos desses atributos são: idade, salário e estado civil. Foi pedido a esse desenvolvedor que, segundo a similaridade entre os clientes, dividisse os clientes em grupos, sendo que clientes parecidos deviam ficar no mesmo grupo. Não havia nenhuma informação que pudesse ajudar a verificar se esses grupos estariam corretos ou não nos dados disponíveis para o desenvolvedor.
Esse é um problema de data mining conhecido, cuja solução mais adequada é um algoritmo
Provas
- Banco de Dados RelacionalDependência Funcional
- Banco de Dados RelacionalNormalização3FN: Terceira Forma Normal
Considere a seguinte notação para especificar componentes de esquemas relacionais:
• Tabelas são descritas por um nome e uma lista de colunas, separadas por vírgulas.
• Colunas que participam da chave primária estão sublinhadas.
• Dependências funcionais entre colunas são definidas pelo símbolo (→) e exibidas em seguida à definição das tabelas.
Todos os esquemas atendem à 1FN.
Dos esquemas a seguir, o único que se encontra na 3FN é
Provas
Os sistemas de informação são aperfeiçoados continuamente como consequência da evolução da tecnologia e dos processos gerenciais, e estão cada vez mais presentes na lista de impactos relevantes no sucesso dos negócios. Exemplo desses impactos é o avanço da migração de aplicações tradicionalmente realizadas nos computadores das empresas para serviços prestados online, sob demanda e, muitas vezes, mediante sistema de assinatura (software como serviço).
A inovação criada nos últimos anos, na área de sistemas de informação, que proporciona a utilização de tais aplicações é conhecida como
Provas
- Gestão de ProcessosAutomação de Processos
- Gestão de ProcessosBPM: Gerenciamento de Processos de Negócio
- Gestão de ProcessosWorkflow e Gerenciamento de Fluxo de Trabalho
Diversos autores e instituições definem Workflow. Alguns tratam como tecnologia, outros como ferramenta, mas todos, entretanto, falam de automação de processos.
Considerando o contexto de suas aplicações, Workflow pode ser entendido como a automação
Provas
Caderno Container