Foram encontradas 120 questões.
O conversor DC-DC do tipo step-up é utilizado para elevar a tensão contínua de entrada para um valor superior na saída. Seu funcionamento baseia-se no armazenamento de energia em um indutor durante o tempo em que a chave está fechada e na liberação dessa energia para a carga quando a chave se abre.
Acerca do dispositivo apresentado, julgue o item a seguir.
Considerando operação ideal em regime de condução contínua, a tensão de saída (vs) do conversor step-up é relacionada à tensão de entrada (ve) por vs = \( \dfrac{v_{e}}{1-D} \) em que D é o ciclo de trabalho (duty cycle).
Provas
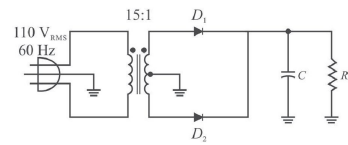
A fonte de alimentação implementada pelo circuito a seguir utiliza um transformador com secundário de tomada central e razão de transformação de 15:1 entre o primário e cada metade do secundário (da tomada central até uma das extremidades), o que resulta em uma razão de 7,5:1 entre o primário e a tensão total entre as extremidades do secundário. Oenrolamento primário recebe uma tensão alternada de 110 VRMS/60 Hz. O circuito conta com dois diodos retificadores comuns (D1 e D2), com queda típica de 0,7 V em condução, um capacitor de filtragem de 1.000 \( \mu \)F e um resistor de carga de 100 Ω.

A partir dessas informações, julgue o item seguinte.
A tensão média sobre o resistor de carga R é maior que 11 V.
Provas

Com base no circuito precedente, que utiliza transistores MOSFET em tecnologia CMOS, julgue o item subsecutivo.
O circuito utiliza três transistores PMOS conectados em série e três transistores NMOS conectados em paralelo, formando uma arquitetura típica de uma porta NAND de três entradas.
Provas

Considerando o circuito precedente, que utiliza dois flip-flops tipo D acionados por borda de subida do sinal de relógio, julgue o item a seguir, assumindo que qualquer controle de PRESET ou de CLEAR esteja adequadamente configurado para permitir operação contínua.
Para os flip-flops corretamente inicializados, se o circuito operar com pulsos de clock contínuos, os estados das saídas (Q1, Q0) a cada borda de subida do relógio evoluirão de forma cíclica na ordem 00 → 10 → 01 → 11 → 00 → ... .
Provas

Com base no circuito lógico precedente, julgue os próximos itens.
O circuito apresentado poderia também ser implementado com o uso de portas lógicas apenas do tipo NOR.
Provas

Com base no circuito lógico precedente, julgue os próximos itens.
A tabela verdade a seguir corresponde à função lógica realizada pelo circuito apresentado.
| A | B | C | D | S |
|---|---|---|---|---|
| 0 | 0 | 0 | 0 | 1 |
| 0 | 0 | 0 | 1 | 1 |
| 0 | 0 | 1 | 0 | 0 |
| 0 | 0 | 1 | 1 | 0 |
| 0 | 1 | 0 | 0 | 1 |
| 0 | 1 | 0 | 1 | 1 |
| 0 | 1 | 1 | 0 | 0 |
| 0 | 1 | 1 | 1 | 0 |
| 1 | 0 | 0 | 0 | 0 |
| 1 | 0 | 0 | 1 | 0 |
| 1 | 0 | 1 | 0 | 0 |
| 1 | 0 | 1 | 1 | 1 |
| 1 | 1 | 0 | 0 | 0 |
| 1 | 1 | 0 | 1 | 0 |
| 1 | 1 | 1 | 0 | 1 |
| 1 | 1 | 1 | 1 | 1 |
Provas

Considerando que todos os componentes usados no circuito precedente são ideais, julgue os itens subsequentes.
O circuito funciona como um filtro passa-alta de primeira ordem, com frequência de corte igual a \( \dfrac{1}{2\pi R_{2}.C} \) Hz.
Provas

Considerando que todos os componentes usados no circuito precedente são ideais, julgue os itens subsequentes.
A função de transferência H(s) do circuito, no domínio s da transformada de Laplace, é H(s) = 1 + \( \dfrac{R_{2}}{R_{1}} \)\( \dfrac{1}{1+R_{2}.C.s}. \)
Provas
No circuito amplificador a seguir, o transistor bipolar tem parâmetros β = hfe = hFE = 100, RE - 3,1 kΩ, RC = 3,3 kΩ, RB1 = 80 kΩ, RB2 = 40 kΩ, RL = 4 kΩ e VCC = 12V. As tensões de polarização na base, no coletor e no emissor do transistor são VB = 3,8 V, VC = 80V e VE = 3,1 V, respectivamente. Todos os capacitores têm valores tais que, na faixa de frequências dos sinais a serem amplificados, podem ser considerados como um curto-circuito.

Com base nessas informações, julgue os itens a seguir.
O transistor está polarizado na região ativa.
Provas
Considerando que, em circuitos amplificadores, os transistores bipolares de junção podem ser implementados em diferentes configurações com características específicas de ganho, impedância e aplicação, julgue os itens subsecutivos.
Na configuração coletor comum, o transistor usualmente apresenta ganho de tensão aproximadamente unitário e baixa impedância de saída, sendo, em diversas aplicações, adequado como estágio de adaptação de impedâncias
Provas
Caderno Container