Magna Concursos

Foram encontradas 120 questões.

3822857 Ano: 2025
Disciplina: Engenharia de Telecomunicações
Banca: CESPE / CEBRASPE
Orgão: TJ-PA

Considerando que determinado processo dinâmico tem como a função de transferência \(G(s) = \dfrac{200}{(s+1)(s+10)(s+20)}\) julgue os itens subsequentes.

Se entendido como um filtro de sinais, o processo G(s) comporta-se como um filtro passa-baixas de terceira ordem.

 

Provas

Questão presente nas seguintes provas
3822856 Ano: 2025
Disciplina: Engenharia de Automação
Banca: CESPE / CEBRASPE
Orgão: TJ-PA

Considerando que determinado processo dinâmico tem como a função de transferência \(G(s) = \dfrac{200}{(s+1)(s+10)(s+20)}\) julgue os itens subsequentes.

Pela representação no espaço de estados, o processo G(s) tem um autovalor em 200 rad/s.

 

Provas

Questão presente nas seguintes provas
3822855 Ano: 2025
Disciplina: Engenharia Elétrica
Banca: CESPE / CEBRASPE
Orgão: TJ-PA

Considerando que determinado processo dinâmico tem como a função de transferência \(G(s) = \dfrac{200}{(s+1)(s+10)(s+20)}\) julgue os itens subsequentes.

A partir da análise da resposta em frequência, infere-se que a contribuição de fase (ângulo) do processo G(s) na frequência de \( \dfrac{500}{\pi} \) Hz vale aproximadamente -270º.

 

Provas

Questão presente nas seguintes provas
3822845 Ano: 2025
Disciplina: Engenharia Elétrica
Banca: CESPE / CEBRASPE
Orgão: TJ-PA

Acerca de conceitos relacionados a eletromagnetismo, julgue os itens a seguir.

Em uma onda eletromagnética plana e uniforme, os vetores de intensidade de campo magnético e de campo elétrico variam apenas com o tempo.

 

Provas

Questão presente nas seguintes provas
3822844 Ano: 2025
Disciplina: Engenharia Elétrica
Banca: CESPE / CEBRASPE
Orgão: TJ-PA

Acerca de conceitos relacionados a eletromagnetismo, julgue os itens a seguir.

Para campos elétricos na fronteira entre dois meios dielétricos diferentes, os potenciais elétricos em dois pontos adjacentes e em lados opostos da fronteira devem ser iguais.

 

Provas

Questão presente nas seguintes provas
3822843 Ano: 2025
Disciplina: Engenharia Elétrica
Banca: CESPE / CEBRASPE
Orgão: TJ-PA

Acerca de conceitos relacionados a eletromagnetismo, julgue os itens a seguir.

Os campos eletrostáticos são conservativos.

 

Provas

Questão presente nas seguintes provas
3822840 Ano: 2025
Disciplina: Engenharia Elétrica
Banca: CESPE / CEBRASPE
Orgão: TJ-PA

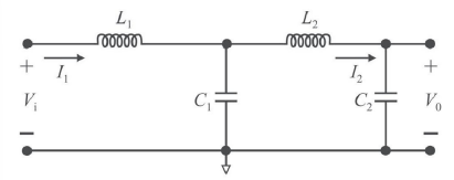
No circuito a seguir, a frequência da fonte de excitação é ω rad/s, as capacitâncias e indutâncias têm valores diferentes entre si (L1 ≠ L2, e C1 ≠ C2) e as variáveis relativas à tensão e à corrente são indicadas na forma fasorial.

Enunciado 4756183-1

A partir das informações fornecidas, julgue os itens que se seguem.

Considerando o circuito como um quadripolo e assumindo que Vi é a tensão de entrada, o módulo da admitância de entrada de curto-circuito tende a um valor nulo para ω2 = \( \dfrac{1}{L_{2.}C_{1}} \).

 

Provas

Questão presente nas seguintes provas
3822837 Ano: 2025
Disciplina: Engenharia Elétrica
Banca: CESPE / CEBRASPE
Orgão: TJ-PA

No circuito a seguir, a frequência da fonte de excitação é ω rad/s, as capacitâncias e indutâncias têm valores diferentes entre si (L1 ≠ L2, e C1 ≠ C2) e as variáveis relativas à tensão e à corrente são indicadas na forma fasorial.

Enunciado 4756176-1

A partir das informações fornecidas, julgue os itens que se seguem.

A tensão de saída V0, está adiantada em 90º em relação à corrente I2.

 

Provas

Questão presente nas seguintes provas
3822833 Ano: 2025
Disciplina: Engenharia Elétrica
Banca: CESPE / CEBRASPE
Orgão: TJ-PA

No circuito a seguir, a frequência da fonte de excitação é ω rad/s, as capacitâncias e indutâncias têm valores diferentes entre si (L1 ≠ L2, e C1 ≠ C2) e as variáveis relativas à tensão e à corrente são indicadas na forma fasorial.

Enunciado 4756169-1

A partir das informações fornecidas, julgue os itens que se seguem.

Para ω2 = \( \dfrac{1}{L_{1.}C_{1}} \) à corrente I1, estará atrasada em 90º em relação à tensão de entrada V1.

 

Provas

Questão presente nas seguintes provas
3822811 Ano: 2025
Disciplina: Engenharia Elétrica
Banca: CESPE / CEBRASPE
Orgão: TJ-PA

Enunciado 4756122-1

Com base no circuito precedente, julgue os próximos itens.

Conforme o método de análise nodal, a tensão entre o nó B e o nó de referência é 100 V.

 

Provas

Questão presente nas seguintes provas