Foram encontradas 470 questões.

A figura acima mostra o diagrama unifilar de um gerador síncrono trifásico que alimenta um barramento de cargas através de uma rede radial de distribuição, representada a partir de uma indutância de \( j5 \Omega \) por fase. Ao atender um determinado conjunto de cargas, a tensão no barramento da carga é igual a \( \dot V_{BC} = 100 \angle - 60°[V] \).
Sendo a tensão gerada nos terminais do gerador síncrono igual a \( \dot V_G = 120 \angle 0°[V] \) , qual é a potência reativa total, em VAr, fornecida pelo gerador trifásico?
Provas

O wattímetro da figura acima está sendo utilizado para a medição da potência ativa em um circuito. O instrumento possui os tapes de 15 e 25 ampères na bobina de medição de corrente, e o tape de 240 volts na bobina de medição de tensão, utilizando uma única escala normalizada de 0 até 6 kW.
Suponha que o tape de corrente utilizado seja o de 15 A e que o tape de tensão seja de 240 V.
Nessas condições, qual a potência que está sendo consumida pelo circuito, em watts, segundo a aferição indicada pelo wattímetro na figura?
Provas
Considere as afirmativas a seguir, que se referem a parâmetros de um amplificador operacional ideal.
I – A impedância de entrada é zero, e a de saída é infinita.
II – A banda passante é infinita.
III – O ganho de tensão diferencial e a rejeição de modo comum são infinitos.
Está correto o que se afirma em
Provas

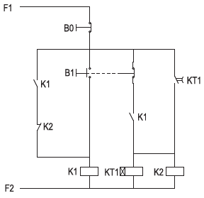
O circuito da figura acima é composto de duas contatoras K1 e K2, um relé de tempo KT1 (com tempo de ajuste do relé igual a 1 segundo), além dos botões de impulso B0 e B1.
Nesse circuito, tem-se que:
Provas
O Profibus pertence a uma classe de protocolos que incorpora conceitos chamados fieldbus que significa, primordialmente, o compartilhamento da inteligência, que fica distribuída em rede.
O protocolo ProfibusProvas

O condutor apresentado na figura acima possui comprimento L = 2 m e está movendo-se com uma velocidade v = 5 m/s na presença de um campo magnético, cuja densidade de fluxo é B = 0,1 T. O sentido de deslocamento do condutor e o sentido do campo magnético estão mostrados na própria figura. Além disso, o condutor possui uma inclinação de 60° em relação ao eixo ortogonal ao seu sentido de deslocamento.
Qual o valor da magnitude da tensão induzida no condutor, em volts, para essas condições?
Provas
Disciplina: Legislação Específica das Agências Reguladoras
Banca: CESGRANRIO
Orgão: TERMOBAHIA
No Brasil, introduziram-se novos ambientes para a comercialização de energia no setor elétrico.
No Ambiente de Contratação Regulada (ACR), destinado às operações de compra e venda de energia para os agentes de distribuição, o mecanismo utilizado é o(a)Provas
Uma determinada máquina térmica recebe, através de uma fonte quente, 1,6 kJ de calor para iniciar seu ciclo. Desse calor, 400 J passam para a fonte fria.
Considerando-se que toda a energia que não é transformada em calor realiza trabalho, o rendimento da máquina térmica, em porcentagem (%), éProvas

O circuito da figura acima é composto por uma fonte de corrente alternada com valor \( \dot I = 10 \angle 0° A \), duas resistências de \( 10 \Omega \), uma resistência de \( 20 \Omega \), uma reatância capacitiva de \( - j6 \Omega \) e uma reatância indutiva de \( j 10 \Omega \).
Qual a potência ativa consumida, em watts, por esse circuito?
Provas
Uma termelétrica de ciclo combinado é uma usina térmica que vem sendo adotada no mundo todo como solução para o uso do gás natural.
No ciclo combinado, o calor necessário para a caldeira da turbina a vapor é fornecido pelos gases quentes da exaustão do(a)Provas
Caderno Container