Foram encontradas 60 questões.
A função densidade de falha de um determinado equipamento em uma fábrica é dada por \( f(t) = \lambda e ^{-\lambda t} \), em que \( \lambda \) é uma constante que indica a taxa de falha por ano, e t é o tempo em anos.
De acordo com os dados apresentados, a função confiabilidade desse equipamento, em função da taxa de falha e do tempo, é
Provas
Uma linha de distribuição a vazio é energizada a partir de seu terminal emissor. Após atingir o regime permanente, o valor rms da tensão no terminal em aberto é igual a duas vezes o valor da tensão aplicada no outro terminal.
Considerando a linha sem perdas, o comprimento elétrico dessa linha, em radianos, é
Provas

A Figura acima representa, de forma simplificada, uma carga sendo alimentada por um transformador ideal no final de um alimentador de distribuição, o qual é representado pela resistência de \( 4 \Omega \). A tensão entre os terminais da carga é igual a 300 V.
Para que a eficiência desse sistema seja exatamente igual a 75%, o valor, em ampères, da corrente Ia indicada na Figura deve ser
Provas

Um transformador trifásico alimenta uma carga trifásica de 1.320 W com fator de potência unitário, conforme indicado na Figura acima. A fonte é de sequência positiva, e o ângulo de fase da tensão Vab é igual a zero. Considere que os transformadores que compõem o banco de transformadores sejam ideais e que o valor rms da tensão de linha na carga seja de 220 V.
Nessas condições, o fasor representativo da corrente Ix, em ampères, é
Provas

A Figura acima mostra o arranjo utilizado para realizar a medição do fator de potência de uma carga trifásica equilibrada. A rede elétrica é equilibrada e de sequência positiva, os instrumentos W1 e W2 são wattímetros ideais, e suas leituras são 2.000 W e 1.000 W, respectivamente.
O fator de potência da carga é
Provas

A Figura acima é um gráfico que mostra as curvas características de um turbogerador de \( 2,76 \sqrt 3 \) MVA, trifásico, conectado em Y, 13.800 V, dois polos e 60 Hz. A curva I é a característica de entreferro linear, a curva II é a característica de circuito aberto não linear, e a curva III é a característica de curto-circuito.
De acordo com as informações apresentadas, o valor, em ohms, da reatância síncrona não saturada desse turbogerador é
Provas
Um transformador de distribuição é instalado no poste de distribuição, e o seu neutro é aterrado por uma haste de cobre de 50 cm de comprimento e 2 cm de diâmetro. A resistividade aparente do solo homogêneo em que a haste foi totalmente encravada verticalmente é de \( 50 \pi \Omega ⋅ m \).
Dado
Ln(2) = 0,7
Ln(5) = 1,6
O valor, em ohms, da resistência de aterramento do transformador é
Provas

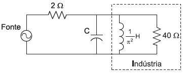
O circuito da Figura acima representa, de forma simplificada, o sistema de alimentação de uma indústria. A frequência da rede de alimentação é de 50 Hz.
Para que o fator de potência da carga total vista pela fonte seja igual a 1,0, o valor, em milifarads, da capacitância C deve ser
Provas

No circuito da Figura acima, a fonte de tensão é ideal e de sequência positiva.
O fasor da tensão do neutro da carga (ponto n), em volts, é
Provas
Um sistema de geração fotovoltaico enquadra-se no grupo de fontes de energia renováveis por se utilizar diretamente da energia solar para a produção de energia elétrica. Para o uso desse sistema de geração, é necessário conhecer a modelagem elétrica equivalente do gerador, de forma a possibilitar o estudo do impacto de conexão do mesmo em um determinado sistema elétrico.
Considerando uma célula fotovoltaica ideal, com terminais de conexão A e B, o modelo elétrico equivalente que a representa é
Provas
Caderno Container