Foram encontradas 1.028 questões.

O diagrama de blocos acima representa a modelagem de uma planta controlada por um controlador do tipo proporcional que apresenta como entrada um sinal de erro obtido a partir da diferença entre o sinal de entrada U(s) e a saída Y(s). A partir dessas informações, julgue o item.
Caso K assuma valor estritamente negativo, o sistema será instável.
Provas

O diagrama de blocos acima representa a modelagem de uma planta controlada por um controlador do tipo proporcional que apresenta como entrada um sinal de erro obtido a partir da diferença entre o sinal de entrada U(s) e a saída Y(s). A partir dessas informações, julgue o item.
Esse sistema, para qualquer valor de K não nulo, nunca terá zero finito.
Provas

Na situação em que K = 0,1, o sistema será subamortecido.
Provas
A função de transferência (FT) de um sistema contínuo com resposta impulsional h(t) é dada por
, em que s é uma variável complexa utilizada na definição da transformada de Laplace. A FT do sistema amostrado com período de amostragem T é obtida efetuando-se a transformação do plano s no plano z por meio da expressão z = esT. A transformação efetuada permite a obtenção da transformada z do sistema. Com base nessas informações, julgue o item a seguir.
Se for submetido a uma excitação de entrada do tipo degrau unitário, o sistema em questão não apresentará resposta finita em regime permanente.
Provas
A função de transferência (FT) de um sistema contínuo com resposta impulsional h(t) é dada por
, em que s é uma variável complexa utilizada na definição da transformada de Laplace. A FT do sistema amostrado com período de amostragem T é obtida efetuando-se a transformação do plano s no plano z por meio da expressão z = esT. A transformação efetuada permite a obtenção da transformada z do sistema. Com base nessas informações, julgue o item a seguir.
No plano z, há, nesse sistema, um polo simples em z = 1.
Provas
A função de transferência (FT) de um sistema contínuo com
resposta impulsional h(t) é dada por
, em que s é uma
variável complexa utilizada na definição da transformada de
Laplace. A FT do sistema amostrado com período de amostragem
T é obtida efetuando-se a transformação do plano s no plano z por
meio da expressão z = esT. A transformação efetuada permite a
obtenção da transformada z do sistema. Com base nessas
informações, julgue o item a seguir.
Considere que, no gráfico a seguir, a escala do eixo horizontal representa a frequência ω variando de 0,1 rad/s a 10 rad/s, em escala logarítmica em base decimal. Nesse caso, o gráfico ilustra as assíntotas da magnitude da FT do diagrama de Bode relativo ao sistema contínuo.

Provas

Considere que a tabela acima apresenta uma tabela verdade que descreve o funcionamento desejado de um circuito digital combinacional com quatro entradas (A, B, C e D) e uma saída (Y).Com relação a essa tabela e a sistemas digitais em geral, julgue o item subsequente.
A expressão booleana mínima, na forma soma de produtos,para a saída Y é dada por Y = B.D + A.D
Provas

Considere que a tabela acima apresenta uma tabela verdade que descreve o funcionamento desejado de um circuito digital combinacional com quatro entradas (A, B, C e D) e uma saída (Y).Com relação a essa tabela e a sistemas digitais em geral, julgue o item subsequente.
Caso o circuito apresentado na tabela acima seja implementado com portas TTL padrão, a velocidade de comutação será menor, se comparada à implementação desse circuito com portas CMOS. No entanto, o circuito com portas TTL padrão terá um consumo menor que o circuito com portas CMOS.
Provas

Considere que a tabela acima apresenta uma tabela verdade que descreve o funcionamento desejado de um circuito digital combinacional com quatro entradas (A, B, C e D) e uma saída (Y).Com relação a essa tabela e a sistemas digitais em geral, julgue o item subsequente.
A expressão booleana mínima, na forma produto de somas,para a saída Y é dada por Y = (B + D).(A + D)
Provas

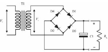
Considere que, no circuito acima representado, a tensão de entrada do transformador T1 seja igual a 220 VRMS e que a tensão, no secundário, seja igual a 22 VRMS. Com relação a esse circuito, julgue o item a seguir.
O circuito apresentado na figura é uma fonte de tensão não regulada.
Provas
Caderno Container