Foram encontradas 441 questões.
Em relação aos métodos de custeio variável e por absorção e ao
custeio com base em atividade (ABC), assinale a opção correta.
Provas
Questão presente nas seguintes provas
Prática tradicional da contabilidade brasileira, a constituição de
provisão ou perda estimada para créditos de liquidação duvidosa
atende ao princípio contábil fundamental da
Provas
Questão presente nas seguintes provas
Acerca dos princípios de contabilidade incluídos na
Resolução CFC n.º 750/1993, atualizada pela Resolução CFC
n.º 1.282/2010, assinale a opção correta.
Provas
Questão presente nas seguintes provas
João, proprietário de um escritório de perícia e de
avaliação atuarial, efetuou diversos pagamentos com cheques da
conta-corrente do seu escritório e encaminhou cópias dos cheques
e os recibos dos pagamentos para o escritório de contabilidade.
Entre os pagamentos incluía-se uma prestação do veículo particular
de João que, por estar atrasada, foi paga com juros.
Com base nos princípios fundamentais da contabilidade, assinale a opção correta, acerca dessa situação hipotética.
Com base nos princípios fundamentais da contabilidade, assinale a opção correta, acerca dessa situação hipotética.
Provas
Questão presente nas seguintes provas

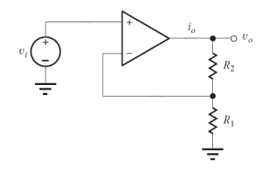
Considerando-se o circuito apresentado na figura precedente, em que amplificador operacional é ideal e os resistores possuem resistências R1 = 2 kΩ e R2 = 48 kΩ, é correto afirmar que o ganho de tensão vo / vi e a corrente io, em miliampères, são, respectivamente, iguais a
Provas
Questão presente nas seguintes provas
Texto 5A4BBB
João, com sessenta e cinco anos de idade, é credor de
determinado estado da Federação pela importância de R$ 500.000,
em virtude de sentença judiciária transitada em julgado que
condenou o estado, após apuração da responsabilidade civil,
a indenizá-lo pela morte de sua esposa.
Provas
Questão presente nas seguintes provas
No tocante à disciplina da dívida ativa, assinale a opção correta.
Provas
Questão presente nas seguintes provas
Ainda com relação às recomendações do MCASP, assinale a opção
correta.
Provas
Questão presente nas seguintes provas
Tendo como referência as Normas Brasileiras de Contabilidade
Aplicada ao Setor Público (NBCASP), assinale a opção correta.
Provas
Questão presente nas seguintes provas
Considerando as disposições das normas contábeis emitidas pelo
Conselho Federal de Contabilidade (CFC) e a Lei n.º 4.320/1964,
assinale a opção correta.
Provas
Questão presente nas seguintes provas
Cadernos
Caderno Container