Foram encontradas 100 questões.
O sinal analógico !$ {a (t) = {\sum\limits^{10}_{i=1}} a_i cos(\pi i^2 t)} !$ é digitalizado por um A/D, cujo diagrama de blocos é apresentado na figura abaixo considerando que esse A/D emprega uma freqüência de amostragem igual à taxa de Nyquist do sinal de entrada e 16 níveis de quantização, a taxa do sinal digitalizado expressa em Kbps é

Provas
Sabendo-se que R1 = 0,5 0,5 i-1 para i=2,3,...., N, o valor da corrente I no circuito apresentado na figura abaixo é

Provas
A figura a seguir representa a tabela verdade de um circuito digital com saída S, que é função de três sinais de entrada A, B e C. A saída S é dada por
| A | B | C | S |
| 0 | 0 | 0 | 0 |
| 0 | 0 | 1 | 1 |
| 0 | 1 | 0 | 1 |
| 0 | 1 | 1 | 1 |
| 1 | 0 | 0 | 0 |
| 1 | 0 | 1 | 1 |
| 1 | 1 | 0 | 0 |
| 1 | 1 | 1 | 0 |
Provas
Na figura abaixo, D1 e D2 representam diodos ideais, enquanto V1

Provas
Um número natural é primo quando ele é divisível exatamente por dois números naturais distintos. Escolhendo, ao acaso, um número natural maior que zero e menor que 17, é correto afirmar que a probabilidade desse número ser primo e deixar resto 1 na divisão por 4 é
Provas
O modelo da Zona Franca de Manaus está assentado em incentivos fiscais e extrafiscais, que visam propiciar condições para alavancar ou manter o processo de desenvolvimento da área incentivada. Não é passível de isenção a entrada de mercadorias procedentes do estrangeiro que sejam destinadas
Provas
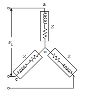
O circuito trifásico da figura a seguir está ligado a três impedâncias iguais conectadas em Y, cada uma de valor Z = 8 + j6 . Supondo que o circuito é alimentado com tensões de linha equilibradas de valor VL = 380 V eficazes, a potência reativa total, em var, vale

Provas
Em relação aos microprocessadores é INCORRETO afirmar que
Provas
De acordo com o sistema administrativo das importações brasileiras, esta(ão) sujeita(s) a Licenciamento NÃO Automático a(s) importação(ões)
Provas
A estrutura organizacional da SUFRAMA sofreu modificações e hoje está constituída pelos órgãos
Provas
Caderno Container