Foram encontradas 70 questões.
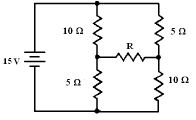
Analise o circuito a seguir.

Para o circuito acima é correto afirmar que o equivalente de Thèvenin que alimentará o resistor R é composto por
Provas

Sobre a charge acima foram feitas várias afirmativas.
I. A charge critica vários setores da sociedade, inclusive o cidadão comum.
II. As vestimentas dos personagens da charge colaboram essencialmente para a sua identificação.
III. Como a leitura da charge se processa da esquerda para a direita, a última fala ganha mais importância que as demais.
Assinale:
Provas
O comando do AUTOCAD, utilizado para apagar parcialmente um objeto ou grupo de objetos, considerando na operação uma ou várias linhas de fronteira, é o comando
Provas
Um capacitor de 1.000 !$ \mu F !$ ligado em série com um resistor de 10 k!$ \Omega !$ é alimentado por uma fonte de tensão contínua de 100 V. A carga desse capacitor e o tempo necessário para que seja carregado são, respectivamente, iguais a
Provas
Duas indústrias iguais, !$ a !$ e !$ \beta !$, possuem o mesmo consumo de energia. A indústria !$ a !$ tem uma demanda máxima maior que a indústria !$ \beta !$.
A respeito dessas indústrias, pode-se afirmar que
Provas
Com relação ao caderno de especificações técnicas de um projeto de instalações elétricas, analise as afirmativas a seguir e assinale (V) para a verdadeira e (F) para a falsa.
( ) Fornece e complementa as informações e descrições dos projetos elétricos.
( ) Fornece a planilha orçamentária do projeto elétrico.
( ) Apresenta as condições em que os serviços devem ser executados.
As afirmativas são, respectivamente,
Provas
A utilização dos componentes simétricos é bastante eficaz para se calcular as correntes de curto-circuito de um sistema elétrico de potência. Pode-se calcular a corrente de curto-circuito de sequência positiva entre duas fases de um sistema de potência por meio da associação dos equivalentes de Thèvenin de sequências
Provas
Em uma caixa d’água localizada a 45 metros de altura, são bombeados, mensalmente, 10.000 litros de água. A bomba utilizada para realizar esse trabalho possui um motor de eficiência igual a 70 %. Substituindo-se esse motor por outro com eficiência de 90 %, a redução do consumo de energia nesse período, em Wh, será de:
Obs,: Considere a densidade da água igual a 1 e a aceleração da gravidade a 10 m/s2.
Provas
Uma instalação elétrica possui uma carga trifásica de 10.000 VA com fator de potência indutivo igual a 0,866. Para que o fator de potência fique no mínimo igual à 0,92, a potência reativa deve ser no máximo igual a 3.907 Var.
O banco de capacitores – BC para que o fator de potência desse equipamento fique maior que 0,92, deve atender à seguinte desigualdade:
Provas
Uma instalação industrial possui uma carga elétrica instalada de 350 kW. O fator de potência global dessas cargas permanece em 0,9. A potência demandada dessa instalação, considerando que o seu fator de demanda é de 0,8, é igual a
Provas
Caderno Container