Foram encontradas 425 questões.
Uma das alternativas mecânicas para a geração de força elétrica é a utilização de ciclos de potência. Nos sistemas de potência a vapor, o fluido de trabalho muda de fase. Dentre eles, o mais simples é o ciclo de Rankine. Sabendo que as perdas por atrito são ignoradas na bomba, na turbina, na caldeira e no condensador, julgue os itens a seguir.
I - Na bomba, a compressão é isentrópica.
II - Na caldeira, o fornecimento de calor é feito à pressão constante.
III - Na turbina, a expansão é isentrópica.
IV - No condensador, a rejeição de calor é feita à pressão constante.
A quantidade de itens certos é igual a
Provas
Provas

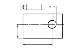
Os elementos de máquinas que constituem um sistema mecânico são fabricados dentro de tolerâncias dimensionais que, por si só, não garantem o funcionamento adequado. É também necessário resguardar o processo de montagem. Quanto aos tipos de tolerância, assinale a alternativa correspondente à correta classificação da simbologia técnica apresentada na figura.
Provas
Provas
Provas
Provas
Provas
Provas
Provas
Provas
Caderno Container