Foram encontradas 447 questões.
Dois resistores R1 e R2, com resistências respectivamente iguais a \( 2 \Omega \) e a \( 3 \Omega, \) são associados em paralelo e a essa associação é aplicada uma ddp de 12 V.
A potência dissipada pelo resistor R1, em watts, é
Provas

Um recipiente contendo certo gás está conectado a um tubo em U aberto, com óleo cuja densidade é 0,8 g/cm3, como ilustrado acima. Considerando-se a aceleração da gravidade local igual a 10 m/s2 e a pressão atmosférica igual a 105 pascais (Pa), a pressão exercida pelo gás, em kPa, é
Provas

Duas cargas positivas puntiformes A e B, respectivamente com 3 \( \mu \)C e 1 \( \mu \)C, localizadas no vácuo, estão separadas por uma distância fixa de 1 m, como ilustrado acima. O ponto M está localizado na posição média entre as duas cargas. Sabendo-se que a constante eletrostática, no vácuo, é 9.109 N.m2/C2, a intensidade do campo elétrico resultante em M, devido às duas cargas, vale, em N/C
Provas
Uma usina termelétrica a ciclo combinado usa turbinas a gás (ou outro combustível) e a vapor, associadas em uma única planta, ambas gerando energia elétrica a partir da queima do mesmo combustível. Os principais componentes de uma usina a ciclo combinado, que utiliza gás como combustível, são Turbina a Gás, Caldeira de Recuperação de Calor e Turbina a Vapor.
A figura abaixo apresenta o fluxograma para um dos possíveis arranjos de uma termelétrica a ciclo combinado.

Disponível em: www.gasnet.com.br (Adaptado).
A esse respeito, considere as afirmativas.
I – Um dos objetivos da elaboração de um fluxograma de processo é apresentar a sequência coordenada das conversões químicas e das operações unitárias, expondo, assim, os aspectos básicos do processo.
II – O gás natural não sofre conversão química no sistema de combustão da Turbina a Gás.
III – O vapor que sai da Turbina a Vapor é submetido a uma operação unitária de transferência de calor.
IV – O processo de produção de energia em uma termelétrica é realizado em bateladas.
Estão corretas APENAS as afirmativas
Provas
O dióxido de carbono (CO2) é usado no processo de abrandamento (remoção de íons Ca++ e Mg++) da água com cal/ barrilha, para uso em caldeiras. A recarbonatação com CO2 da água tratada neutraliza o excesso de cal, reduzindo a possível precipitação de carbonatos nas tubulações.
Esse processo ocorre através das seguintes reações:
CO2 + Ca(OH)2 \( \rightarrow \) CaCO3 + H2O
CaCO3 + CO2 + H2O \( \rightarrow \) Ca(HCO3)2
Em relação aos reagentes e produtos envolvidos nas reações, considere as afirmativas a seguir.
I – O CO2 é um óxido ácido.
II – O Ca(OH)2 tem um alto grau de dissociação em água e origina soluções básicas.
III – O Ca(HCO3)2 é um ácido fraco.
IV – A água (H2O) é, quimicamente, uma substância anfótera, isto é, pode agir tanto como ácido quanto como base.
Estão corretas APENAS as afirmativas
Provas
Uma constante preocupação em plantas industriais é a proteção contra a corrosão de instalações e equipamentos construídos em aço carbono. A corrosão atmosférica, uma forma de corrosão generalizada de grande incidência, ocorre através da condensação da umidade do ar na superfície do material.
A reação global que descreve esse processo é dada por:
4 Fe + 3 O2 + 2 H2O \( \rightarrow \) 2 Fe2O3.H2O
Sobre o assunto, considere as afirmações abaixo.
I – O processo ocorre através de um mecanismo eletroquímico, envolvendo tanto reações químicas quanto fluxo de elétrons.
II – O Ferro (Fe), na reação, sofre redução e perde 2 elétrons.
III – O produto formado pela reação é óxido ferroso hidratado.
IV – Esse processo de corrosão também é conhecido como enferrujamento do aço carbono ao ar.
Estão corretas APENAS as afirmações
Provas
O gás natural tem sido amplamente utilizado como combustível para a produção de energia. O metano (CH4), um gás inodoro e incolor, é um dos seus principais constituintes.
A combustão completa do metano é representada pela seguinte equação química:
CH4(g) + 2O2(g) \( \rightarrow \) CO2(g) + 2H2O (l) \( \Delta H \) = - 802 kJ/mol
A esse respeito, considere as afirmações.
I – O metano é um hidrocarboneto da família dos alcanos.
II – São liberados 1 mol de CO2 e 2 moles de H2O a partir da queima de 16 g de CH4, nas CNTP.
III – A reação pode ser classificada como endotérmica.
IV – O gás natural é também conhecido e comercializado como GLP (Gás Liquefeito de Petróleo).
Estão corretas APENAS as afirmações
Provas
Provas
Provas

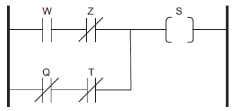
Na figura acima, é mostrada uma parte de um programa de um controlador lógico programável (CLP), em linguagem LADDER.
A expressão booleana correspondente à saída S é
Provas
Caderno Container