Foram encontradas 447 questões.

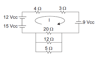
Utilizando a Lei de Kirchhoff para tensões, analise o circuito acima e determine o valor da corrente (I).
Provas

Uma viga reta de comprimento L tem uma de suas extremidades engastada em uma parede de concreto e a outra livre, conforme a figura acima. Sabendo-se que esta viga está sob um carregamento uniforme de q N/m, quais os valores dos esforços cortante V e fletor M no engastamento?
Provas
Por duas polias, uma de diâmetro igual a 60 mm e outra de raio igual a 120 mm, passa uma correia plana, conforme ilustrado na figura abaixo.

Sabendo-se que a polia maior está acoplada a um motor que gira a 600 rpm em sentido anti-horário, a rotação e a velocidade tangencial na polia menor serão de
Provas
Um motor é acoplado a um conjunto eixo-polia que gira a 300 rpm, suportando um torque constante de 73,6/ Nm. Sabendo-se que 1 HP 736 W, qual é a potência, em HP, desse motor?
Provas
Um fluido escoa de forma turbulenta por um trecho reto de tubulação, medindo L metros de comprimento e D metros de diâmetro interno.
Sendo f o fator de atrito, Q, a vazão do fluido e g, a aceleração da gravidade local, a perda de carga neste trecho de tubulação será calculada pela expressão
Provas
Provas
Deseja-se regular a quantidade de fluxo que passa em um determinado ponto de uma tubulação. Qual tipo de válvula NÃO poderá ser adotado para esta tarefa?
Provas
A semelhança mecânica envolve um conjunto de leis e conhecimentos, por meio dos quais se torna possível prever o comportamento de uma bomba de grande porte a partir da atuação ou desempenho de uma bomba menor e mais econômica. Desta forma, para que se verifique semelhança mecânica entre duas bombas, faz-se necessário que sejam satisfeitos, simultaneamente, os requisitos relativos à semelhanças:
Provas
Provas
Provas
Caderno Container