Foram encontradas 1.130 questões.
As demonstrações financeiras de uma empresa apresentam as seguintes informações:
Caixa = R$ 3.500,00
Contas a receber = R$ 15.000,00
Contas a pagar = R$ 5.000,00
Impostos e taxas = R$ 1.000,00
Estoques = R$ 6.500,00
Considerando-se os valores acima, marque a opção que representa o capital de giro líquido dessa empresa:
Provas
Na zona afetada termicamente, a estrutura do metal pode ser modificada pelo aquecimento e rápido resfriamento durante o processo de soldagem, a característica mecânica do material é afetada, entretanto, a composição química fica praticamente inalterada. Analise a metalurgia da solda abaixo e assinale CORRETAMENTE.

Provas
Os gases de proteção reativos são os considerados que reagem com o metal líquido da poça de fusão, podendo alterar as propriedades metalúrgicas e mecânicas do metal de solda. Estes gases podem ser ativos ou redutores. Os gases ativos utilizados na soldagem são:
Provas
A conformação mecânica pode se dar através de diferentes processos com variadas ferramentas, desde pequenas matrizes até grandes cilindros. Nesse sentido, esses métodos são aplicados tanto em barras quanto em chapas metálicas.
O processo que passa o material por um ou mais pares de rolos de cilindros para uniformizar e reduzir sua espessura. É chamado de:
Provas
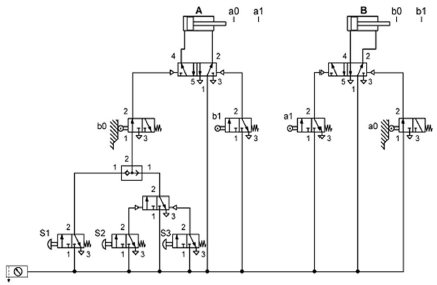
Analise o circuito abaixo e marque a opção INCORRETA.

Provas
As Válvulas de Controle Direcional têm por função orientar, permitir ou interromper um fluxo de ar. Para definirmos uma Válvula de Controle Direcional devemos levar em conta os Número de vias - Número de posições - Posição inicial - Tipo de acionamento - Tipo de retorno - Vazão - Tipo construtivo. Na válvula a seguir determine o número de posições, de vias e sua posição de repouso.

Provas
As propriedades mecânicas dos materiais podem ser classificadas como resistência à tração, dureza, ductibilidade, tenacidade, elasticidade e plasticidade. Os Materiais que apresentam na usinagem, cavacos longos, espirais e contínuos, são materiais:
Provas
A figura abaixo mostra um diagrama Força- Alongamento de um ensaio de tração simples. A barra tem seção transversal circular (d = 40 mm) e comprimento inicial (referência) igual a 1200 mm. Calcule a tensão (limite) de proporcionalidade:

Provas
Um processo de usinagem por abrasão de alta precisão e remoção de material, utilizado em furos com o objetivo de corrigir problemas tais como: Diâmetro interno do furo; Geometria interna do furo; Acabamento da superfície usinada; é chamado de:
Provas
Para fresar uma peça de aço com 80 kgf/mm² desbastando em uma profundidade de corte de 4 mm, é utilizado uma fresa de aço rápido com diâmetro de 30 mm. Qual será a velocidade de corte em rpm que deverá ser selecionada na fresadora? Consulte a tabela.

Provas
Caderno Container