Foram encontradas 50 questões.
A norma brasileira NBR 5410 − Instalações Elétricas de Baixa Tensão, estabelece as condições a que devem satisfazer as instalações elétricas de baixa tensão, a fim de garantir a segurança de pessoas e animais, o funcionamento adequado da instalação e a conservação dos bens.
No dimensionamento de condutores elétricos, a norma NBR 5410 especifica condições para instalação. Nos sistemas trifásicos ligados em estrela, o condutor neutro deve ser instalado
Provas
- Instalações Elétricas
- Normas TécnicasNBRsNBR 5419: Sistema de Proteção contra Descargas Atmosféricas
Provas
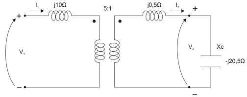
As reatâncias de dispersão do primário e do secundário do transformador abaixo são, respectivamente, j 10 Ω e j 0,5 Ω e a relação de transformação é 5:1.
Considere que o transformador alimenta uma linha de transmissão em vazio, de característica puramente capacitiva e simulada pela reatância XC de −j 20,5 Ω.

Caso a tensão do primário seja V1 = 49 kV, a tensão V2 é igual a:
Provas
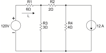
O valor da corrente elétrica i1, em A, no circuito elétrico abaixo representado corresponde a:

Provas
O lançamento ocorre simultaneamente nos 3 cinemas, às 23h de um sábado. A partir daí as próximas exibições seguem o seguinte padrão:
− Cinema A: a partir do instante de lançamento, uma nova sessão a cada 4 horas; − Cinema B: a partir do instante de lançamento, uma nova sessão a cada 5 horas; − Cinema C: a partir do instante de lançamento, uma nova sessão a cada 12 horas.
Dessa forma, pode-se concluir que a primeira vez em que os três cinemas irão iniciar uma sessão simultaneamente, sem contar o lançamento, se dará às
Provas
− elevamos o segundo dígito ao primeiro, tomando-se apenas o algarismo das unidades do resultado; − elevamos o terceiro dígito ao valor obtido no passo anterior, tomando-se apenas o algarismo das unidades do resultado; − fazemos isso sequencialmente, até que o sexto dígito seja elevado ao valor obtido no passo imediatamente anterior, novamente tomando apenas o algarismo das unidades do resultado; − o valor do dígito verificador é uma unidade a mais que o algarismo obtido no passo anterior.
Dessa forma, o dígito verificador X do documento de numeração 322.652-X é
Provas
Após uma certa quantidade de dias, o corredor atinge, pela primeira vez, a marca dos 22 km, o que ocorre no
Provas
A tabela a seguir descreve o comportamento de cada cachorro ao ouvir a pergunta feita pelo dono

Em um desses episódios, Pedro chega ao local do acidente e pergunta Quem foi que quebrou isso?, observando as seguintes reações:
− Totó olha fixamente para o dono; − Milu aponta para Totó; − Brutus olha fixamente para o dono.
Sabendo que o acidente foi causado por apenas um dos cachorros, Pedro pode concluir que
Provas
Se 20 funcionários, trabalhando 8 horas por dia cada um, pavimentam 15 quilômetros de rodovia em uma semana, para pavimentar exatamente 21 quilômetros de rodovia em uma semana, a jornada diária de trabalho de 32 funcionários deverá ser de
Provas
Para isso, ele deve pedir uma quantidade de tapetes igual a
Provas
Caderno Container