Foram encontradas 50 questões.
Provas
Provas
Entre os diversos métodos de acionamentos de motores trifásicos de indução, um dos principais, são as chaves eletrônicas soft-starter.
Sobre as chaves soft-starter é correto afirmar que
Provas
A Figura 1 representa as atuais perdas totais diária de um antigo transformador abaixador de 1.000 kVA − 13,8 kV / 220 V, em carga, instalado a mais de 20 anos na subestação de uma planta industrial. Apesar do transformador estar em perfeito estado de funcionamento, a diretoria financeira solicitou à gerência industrial a apresentação de um projeto para a substituição por outro transformador, totalmente novo, construído com modernas técnicas e materiais, que apresentam menores perdas em operação.
O gráfico da Figura 2 ilustra a expectativa das perdas diária do novo transformador.
Considere que a empresa tem atividade mensal de 20 dias úteis.
Orçado o projeto de substituição, o custo do transformador novo com impostos é de R$ 45.000,00, o preço de venda do transformador antigo na condição de sucata é de R$ 4.000,00. Os custos dos materiais e da mão de obra da substituição é R$ 5.200,00.
Os custos médios da energia consumida na planta industrial, com todos os impostos inclusos, são de 0,50 R$/kWh no horário de ponta (18:00 às 21:00 horas) e 0,20 R$/kWh no horário fora de ponta.

Considerando os dados apresentados, o ROI − Return on Investiment, ou retorno anual do investimento do projeto de substituição do transformador existente, é aproximadamente de
Provas
Um gerador monofásico é utilizado para conversão de energia mecânica em energia elétrica no departamento de tratamento de águas de uma empresa. Tal gerador alimenta três cargas em paralelo por meio de uma linha de transmissão: um motor monofásico com potência mecânica útil de 8,0 kW, rendimento 80% e fator de potência 0,5; um banco de capacitores consumindo 7,4 kVARC e fator de potência nulo e uma carga resistiva de 20 kW.
As potências ativa e reativa, fornecidas pelo gerador, são, respectivamente:
Dados:
sen (30°) = 0,5
cos (30°) = 0,87
sen (60°) = 0,87
cos (60°) = 0,5
Provas
Na figura abaixo, observa-se três impedâncias ligadas na configuração estrela, sendo cada uma com valor z = 4 − j3 Ω . As impedâncias estão ligadas a um gerador trifásico equilibrado com tensão de linha 210 V.

É correto afirmar que o valor da corrente IF em cada impedância é
Provas
O gráfico abaixo representa a curva diária da demanda de uma indústria com potência instalada de 500 kW. O fator de demanda, o fator de carga e a demanda média diários são, respectivamente, iguais a:

Provas
Aplica-se uma corrente elétrica IL (A) em função do tempo (μs), indicada na figura abaixo, a um indutor com indutância de 1 μH.

Os valores da tensão, em Volts, no indutor nos instantes t1 = 0,2 μs, t2 = 1,2 μs e t3 = 1,9 μs são, respectivamente:
Provas
Um sistema trifásico estrela, sequência inversa, apresenta tensão de linha
.
É correto afirmar que
Provas
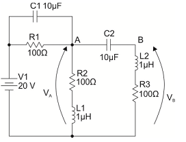
Considere que o circuito elétrico abaixo representado está energizado há muito tempo em tensão contínua V1 = 20 [V].

É correto afirmar que:
Provas
Caderno Container