Foram encontradas 50 questões.
- EletrotécnicaCircuitos Elétricos em Eletricidade
- EletrotécnicaCircuitos de Corrente Contínua e de Corrente Alternada
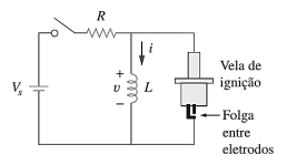
A figura abaixo representa o circuito para sistema de ignição de automóvel e será utilizado para responder à questão.

Provas
Questão presente nas seguintes provas
O conjunto motor elétrico e bomba é utilizado em circuitos
hidráulicos para:
Provas
Questão presente nas seguintes provas
- EletrotécnicaCircuitos Elétricos em Eletricidade
- EletrotécnicaCircuitos de Corrente Contínua e de Corrente Alternada
A figura abaixo representa o circuito para sistema de ignição de automóvel e será utilizado para responder à questão.

Provas
Questão presente nas seguintes provas
O estado de Rondônia está localizado na região Norte do
Brasil; sua capital é a cidade Porto Velho que faz limite:
Provas
Questão presente nas seguintes provas
Rondônia comporta sete bacias hidrográficas. A mais
representativa e que causa maior preocupação é aquela
formada a partir da confluência dos rios Mamoré e Beni,
em razão das modificações de sua dinâmica hidrológica
decorrente da instalação das hidrelétricas de Santo
Antônio e Jirau. Trata-se da bacia do rio:
Provas
Questão presente nas seguintes provas
Para ser eleito, o candidato deve ter:
Provas
Questão presente nas seguintes provas
- Princípios Fundamentais da ConstituiçãoForma de Estado e Governo, Sistema de Governo e Regime Político
Nos termos da Constituição Federal de 1988, constitui
fundamento da República Federativa do Brasil o/a:
Provas
Questão presente nas seguintes provas
- Organização do EstadoAdministração PúblicaDisposições Gerais (Art. 37)Princípios da Administração Pública
O princípio administrativo expresso na Constituição
Federal que orienta a conduta correta, íntegra, leal e ética
do servidor público é o princípio da(o):
Provas
Questão presente nas seguintes provas
Sobre licitação, é correto dizer que as obras, serviços,
inclusive de publicidade, compras, alienações, concessões,
permissões e locações da Administração Pública, quando
contratadas com terceiros, serão necessariamente
precedidas de licitação, ressalvadas as hipóteses previstas
na Lei 8666/93 (Lei geral de licitações). Mas por que deve
existir o processo licitatório? Responde-se a essa pergunta
ao se afirmar que a licitação se destina a:
Provas
Questão presente nas seguintes provas
O chefe da Administração Pública do Município de Vilhena,
isto é, o chefe do Poder Executivo municipal, é o:
Provas
Questão presente nas seguintes provas
Cadernos
Caderno Container