Foram encontradas 800 questões.
O diagrama de resposta em freqüência de um determinado circuito linear apresenta ganho de +20dB na freqüência !$ ω=600 !$ rad/s. Se o sinal de tensão na entrada do circuito for !$ V_E(t)=\sqrt2 !$ !$ V_a \sin(600t+ \pi/4) !$, então a tensão eficaz em regime permanente da saída do circuito será:
Provas

O diagrama elétrico, mostrado na figura acima, utiliza um galvanômetro de bobina móvel. Essa configuração é utilizada para medir:
Provas
Um condutor de cobre, ao conduzir uma corrente elétrica, tem sua temperatura elevada de 20 °C (Ti) para 50 °C (Tf). A resistividade do cobre em função da temperatura pode ser aproximada, dentro da faixa de variação mencionada, pela seguinte equação:
!$ ρ_f=ρ_i\{1+\alpha_{20}(T_f-T_i)\} !$
Nessa equação, !$ \alpha_{20}\cong3,9 \times 10^{-3} \, ºC^{-1} !$ é o coeficiente de variação do cobre a 20 ºC. Desprezando as dilatações no condutor e considerando que a resistividade do cobre a 20 °C é !$ ρ_i \cong 1,72 \times 10^{-8} Ω m !$, a variação percentual da resistência do condutor, ao sofrer a mudança de temperatura acima, é, aproximadamente:
Provas
O pipe-rack é caracterizado por:
Provas
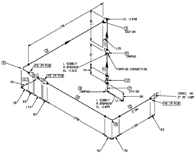
Observe o isométrico abaixo.

Os ângulos nas curvas 3, 5 e 7, respectivamente, são iguais a:
Provas
Dentre os símbolos gerais utilizados para representar instrumento ou função programadora, a circunferência simples corresponde a um:
Provas
Observe a figura abaixo.

Este símbolo representa uma solda:
Provas
Observe a figura.

A figura acima representa um:
Provas

O símbolo de instrumentação acima é utilizado para:
Provas
Como agem seqüências de curvas seguidas de trechos retos em uma tubulação, com relação a grau de liberdade e flexibilidade?
| Grau de liberdade |
Flexibilidade da tubulação |
Provas
Caderno Container