Foram encontradas 800 questões.
A grandeza de pressão representada pelas grandezas MLT – Massa, Comprimento e Tempo – é equivalente a:
Provas
Em Metrologia, a letra M, utilizada como prefixo de uma unidade, tem seu valor equivalente a:
Provas
Na perspectiva isométrica de um cubo, a linha de projeção do desenho encontra-se:
Provas

A figura acima mostra um amplificador transistorizado sendo utilizado para pequenos sinais e operando na região linear. Sobre ele, considere as afirmativas a seguir.
I - Trata-se de um amplificador do tipo Emissor Comum.
II - Trata-se de um amplificador do tipo Coletor Comum.
III - C i e C o são capacitores de bloqueio DC e acoplamento AC.
IV - A impedância de entrada desse amplificador depende apenas dos resistores R 1 e R 2 e do parâmetro h ie do transistor.
São corretas, apenas, as afirmativas:
Provas
Com relação aos esquemas de aterramento permitidos em instalações elétricas de baixa tensão, considere as afirmativas a seguir.
I - Quando a instalação estiver no esquema de aterramento TN, é obrigatório o uso de dispositivo supervisor de isolamento.
II - Quando a instalação estiver no esquema de aterramento IT, é possível a proteção do usuário somente com o uso do disjuntor.
III - Os dispositivos de proteção Diferencial Residual (DR) não podem ser empregados quando a instalação estiver no esquema de aterramento do tipo TN-C.
É(São) correta(s) a(s) afirmativa(s):
Provas
Segundo prescreve a Norma de Instalações Elétricas de Baixa Tensão – NBR 5410/2005, a determinação da potência é essencial para a concepção econômica e segura de uma instalação, dentro de limites adequados de elevação de temperatura e de queda de tensão. Portanto, para o dimensionamento da alimentação de uma instalação ou parte dela, o projetista deve considerar somente os equipamentos a serem alimentados, com suas respectivas potências:
Provas
Sejam CC, REC, LAMP, e BUZ variáveis booleanas correspondentes às entradas e saídas de um sistema de alarme implementado num CLP. Quando uma condição indesejada ocorre no campo (CC = verdadeiro), uma sirene no painel de alarme deve soar (BUZ = verdadeiro). O operador, então, pressiona uma botoeira de reconhecimento de alarme (REC = verdadeiro), sendo esta uma botoeira pulsante. Em seguida, a sirene desliga (BUZ = falso) e uma lâmpada é acesa no painel (LAMP = verdadeiro). A lâmpada permanece acesa até que a condição no campo seja sanada (CC = falso), voltando o sistema de alarme à sua condição inicial. O diagrama ladder que implementa o funcionamento especificado é:
Provas
Um dado sistema possui uma linha de distribuição de 13,8 kV (média tensão) ligada a uma linha de distribuição de 220/127 V (baixa tensão), por meio de um transformador trifásico. Sabendo-se que esse transformador tem o primário (lado de “alta”) na configuração delta e o secundário (lado de “baixa”), na configuração estrela, a relação entre o número de espiras dos enrolamentos primários e secundários desse transformador é de:
Provas

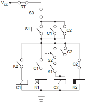
A figura acima apresenta o circuito de controle para acionamento de duas máquinas trifásicas, comandadas por intermédio dos contatores C1 e C2. As chaves S0, S1 e S2 são do tipo sem retenção. A ação de acionar uma chave significa apertá-la e, em seguida, deixá-la retornar à posição inicial. O relé K1 é do tipo com retardo na ligação, programado para Ta minutos, enquanto K2 é do tipo com retardo no desligamento, programado para Tb minutos. Com relação ao funcionamento do sistema, em condições normais, considere as seguintes afirmativas:
I - ao iniciar a energização do circuito, a máquina comandada por C1 deverá funcionar no mínimo por Ta minutos para que a máquina comandada por C2 possa ser energizada;
II - a máquina comandada pelo contator C1 somente poderá se manter energizada, intermitentemente, por, no máximo, Ta + Tb minutos;
III - a máquina comandada por C1 somente poderá funcionar, intermitentemente, por, no máximo, Tb minutos após o acionamento da máquina comandada por C2.
É(São) verdadeira(s), apena(s), a(s) afirmativa(s):
Provas
Ao elaborar o traçado do projeto elétrico de uma residência, um projetista utilizou o condutor neutro dos circuitos terminais como condutor de proteção. O fato de um dado circuito, que alimenta um equipamento elétrico energizado, ter o seu condutor neutro rompido implicará, como conseqüência, a interrupção do funcionamento do equipamento e também o surgimento de uma tensão entre a sua carcaça e o terra com uma intensidade, no máximo, igual à(ao):
Provas
Caderno Container