Foram encontradas 599 questões.
A remoção de areia, ou desarenação, faz parte do tratamento primário de uma ETE, tendo como finalidade reter o material pesado que se deseja remover, liberando a matéria orgânica que será removida em processo posterior. De acordo com as orientações da NBR 12.209/2011 e suas atualizações, assinale com V o que for verdadeiro e com F o que for falso.
( ) O desarenador deve ser projetado para remoção mínima de 95% em massa das partículas com diâmetro equivalente, igual ou superior a 0,2mm e densidade de 2,65.
( ) A vazão de dimensionamento do desarenador deve ser a vazão máxima afluente à unidade.
( ) O desarenador deve ter limpeza mecanizada quando a vazão de dimensionamento for igual ou superior a 100L/s.
( ) O desarenador de limpeza manual deve ser circular, de fluxo tangencial (tipo canal de velocidade constante), para o qual se deve manter sempre uma unidade de reserva.
A sequência correta, de cima para baixo, é:
Provas
Questão presente nas seguintes provas
1440130
Ano: 2019
Disciplina: Atualidades e Conhecimentos Gerais
Banca: UECE
Orgão: Pref. Sobral-CE
Disciplina: Atualidades e Conhecimentos Gerais
Banca: UECE
Orgão: Pref. Sobral-CE
Provas:
No que diz respeito ao município de Sobral, é correto afirmar que
Provas
Questão presente nas seguintes provas
O instrumento básico da política de desenvolvimento e de expansão urbana, que tem por objetivo ordenar o pleno desenvolvimento das funções sociais da cidade e garantir o bem-estar de seus habitantes, denomina-se
Provas
Questão presente nas seguintes provas
Considere a figura a seguir.

O elemento A indicado na figura acima, que é utilizado em revestimentos para piso, é denominado
Provas
Questão presente nas seguintes provas
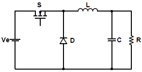
Atente para o que se afirma sobre o conversor CC-CC mostrado na figura abaixo.

I. Quando a chave S for fechada, o diodo D será polarizado reversamente, isolando o estágio de saída da fonte de alimentação.
II. Quando a chave for aberta, a tensão no indutor L polarizará o diodo D diretamente.
III. É um conversor abaixador, isto é, a tensão sobre o resistor R é menor do que a tensão de entrada – Ve.
É correto o que se afirma em
Provas
Questão presente nas seguintes provas
Leia o texto a seguir para responder a questão.
Nos relatórios de fiscalização direta, observou-se que são abarcados principalmente aspectos estruturais. Em sistemas de abastecimento de água são inspecionadas captações, adutoras, reservatórios, elevatórias, estações de tratamento e redes de distribuição. Já nos sistemas de esgotamento sanitário, são verificadas estações de tratamento de esgoto, elevatórias de esgoto, redes coletoras e corpo receptor. De forma geral, os processos de inspeção visam verificar a vulnerabilidade, estrutura, conservação e operação dos sistemas. Dentre os documentos solicitados previamente aos prestadores para apresentação na fiscalização direta, foi constatado que há informações que poderiam ser verificadas remotamente, sem a necessidade de inspeção in loco. Há constatações apresentadas nos relatórios advindos da fiscalização em campo (fiscalização direta) que poderiam ser elaboradas com base em informações monitoradas, já de posse da agência, a saber: a) População atendida e percentuais de atendimento com serviços de abastecimento de água e com esgotamento sanitário; b) Volumes produzidos, distribuídos e consumidos de água; c) Capacidade total de reservação; d) Capacidade nominal das unidades de tratamento de água; e) Volumes de coleta e tratamento de esgoto; f) Indicadores de perdas de água na distribuição; g) Atendimento aos padrões de potabilidade e plano de amostragem requeridos pelo Ministério da Saúde; h) Cumprimento a prazos de vistoria e de ligação de água e de esgoto, reparo de vazamentos de água e reparo de extravasamento de esgoto.
HAMDAN, O. H. C; OLIVEIRA, M. D; FONSECA, G. A. B; SOUZA, S. L. Fiscalização dos Serviços de Saneamento: alternativas para melhoria da abrangência. 4EXPO/ABAR, 27 a 29 de set. 2017. Florianópolis-SC, 2017.
O texto acima se refere a
Provas
Questão presente nas seguintes provas
1440000
Ano: 2019
Disciplina: Atualidades e Conhecimentos Gerais
Banca: UECE
Orgão: Pref. Sobral-CE
Disciplina: Atualidades e Conhecimentos Gerais
Banca: UECE
Orgão: Pref. Sobral-CE
Provas:
Leia atentamente o trecho a seguir:
“Nesse campo, destaca-se a empresa chinesa Huawei como a maior fornecedora mundial de infraestrutura de rede, bem à frente da concorrência quando se trata de tecnologia 5G. Não é surpresa que o Presidente dos Estados Unidos, Donald Trump, tenha decidido incluir a empresa em sua lista negra. Trump quer colocar um freio na ascensão tecnológica e econômica da China”.
O Brasil e a disputa pela tecnologia 5G. Disponível em: http://correio.rac.com.br/_conteudo/2019/06/colunistas/reinaldo_dias/840174-o-brasil-e-a-disputa-pela-tecnologia-5g.html
O excerto acima diz respeito à tecnologia 5G, que é
Provas
Questão presente nas seguintes provas
Pretende-se construir uma adutora para o abastecimento de água de uma cidade de 200.000 habitantes. O manancial se encontra a 5.000m de distância e, pela topografia, existe um desnível de 25,00m, possibilitando a adução por gravidade. Atente para os seguintes dados, valores e fórmulas:
Dados:
!$ Q !$ – vazão média !$ (L/s) !$;
!$ Q_1 !$ – vazão dos dias de maior consumo !$ (L/s) !$;
!$ P !$ – população abastecível, número de habitantes;
!$ q !$ – taxa de consumo per capita !$ (L/hab.d) !$;
!$ h !$ – número de horas de funcionamento do sistema;
!$ J !$ – perda de carga (m/m);
!$ k_1 !$ – coeficiente do dia de maior consumo;
!$ ΔH !$ – desnível topográfico.
Valores:
!$ P = 200.000 !$;
!$ q = 200L/hab.d !$;
!$ h = 24h !$;
!$ k_1 = 1,50 !$;
!$ ΔH = 25,00m !$.
Fórmulas:
!$ Q = (P . q)/(3.600 . h) !$;
!$ Q_1 = k_1 . Q !$;
!$ J = ΔH/L !$.
Considerando os dados acima, assinale a opção que apresenta corretamente os valores correspondentes à vazão média !$ (Q) !$, à vazão dos dias de maior consumo !$ (Q_1) !$ e à perda de carga !$ (J) !$ total no percurso.
Provas
Questão presente nas seguintes provas
Os diferentes aspectos da contabilidade aplicada ao setor público (CASP) são:
Provas
Questão presente nas seguintes provas
O Plano de Gerenciamento de Resíduos da Construção Civil (PGRCC) é um documento técnico que identifica a quantidade de geração de cada tipo de resíduo proveniente de construções, reformas, reparos, demolições de obras civis e da preparação e escavação de terrenos. Através deste plano, estabelecem-se os procedimentos necessários ao manejo e destinação adequada dos resíduos comumente chamados entulhos de obras. O PGRCC indica a destinação conforme a classificação de resíduos definida pela Resolução nº 307 do CONAMA, que foi alterada pela Resolução CONAMA
Provas
Questão presente nas seguintes provas
Cadernos
Caderno Container