Magna Concursos

Foram encontradas 1.059 questões.

3458138 Ano: 2022
Disciplina: Engenharia Civil
Banca: IMAIS
Orgão: Pref. Santana Parnaíba-SP
Provas:

A fim de propiciar condições de iluminação artificial interna, de modo a garantir a ocupação dos recintos e circulação nos ambientes com conforto e segurança, assinale a alternativa que apresenta a quantidade de Lux que os níveis gerais de iluminação promovidos nas diferentes dependências dos edifícios habitacionais por iluminação artificial devem atender.

 

Provas

Questão presente nas seguintes provas
3458137 Ano: 2022
Disciplina: Engenharia Civil
Banca: IMAIS
Orgão: Pref. Santana Parnaíba-SP
Provas:

No caso de andaime simplesmente apoiado, construído em torre única com altura inferior a vezes a menor dimensão da base de apoio, fica dispensado o projeto de montagem, devendo, nesse caso, ser montado de acordo com o manual de instrução.

Assinale a alternativa que preenche corretamente a lacuna.

 

Provas

Questão presente nas seguintes provas
3458136 Ano: 2022
Disciplina: Desenho Técnico e Industrial
Banca: IMAIS
Orgão: Pref. Santana Parnaíba-SP
Provas:

Analise a planta baixa abaixo para responder à questão.

Enunciado 3623366-1

Diante das informações acima, é correto afirmar que

 

Provas

Questão presente nas seguintes provas
3458135 Ano: 2022
Disciplina: Desenho Técnico e Industrial
Banca: IMAIS
Orgão: Pref. Santana Parnaíba-SP
Provas:

Segundo a norma ABNT de representação de projetos de arquitetura, a representação gráfica de planos externos da edificação, onde os cortes transversais e longitudinais podem ser marcados nas fachadas é a definição de

 

Provas

Questão presente nas seguintes provas
3458134 Ano: 2022
Disciplina: Desenho Técnico e Industrial
Banca: IMAIS
Orgão: Pref. Santana Parnaíba-SP
Provas:

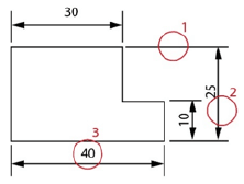
Analise o desenho abaixo para responder à questão.

Enunciado 3623364-1

Com relação ao desenho técnico segundo a imagem acima, é correto afirmar que

 

Provas

Questão presente nas seguintes provas
3458133 Ano: 2022
Disciplina: Desenho Técnico e Industrial
Banca: IMAIS
Orgão: Pref. Santana Parnaíba-SP
Provas:

Analise o esquema abaixo para responder à questão.

Enunciado 3623363-1

Segundo a norma NBR 13.142, deve-se dobrar uma folha de desenho deixando que a legenda fique visível e o formato final do dobramento de cópias de desenhos seja em A4. É correto afirmar que o tipo de dobra representado no esquema acima é voltado para o formato de papel

 

Provas

Questão presente nas seguintes provas
3458132 Ano: 2022
Disciplina: Desenho Técnico e Industrial
Banca: IMAIS
Orgão: Pref. Santana Parnaíba-SP
Provas:

Analise o desenho abaixo para responder à questão.

Enunciado 3623362-1

Sobre os tipos de linhas, conforme a norma NBR 10126, aplicadas ao desenho, assinale a alternativa correta.

 

Provas

Questão presente nas seguintes provas
3458131 Ano: 2022
Disciplina: Desenho Técnico e Industrial
Banca: IMAIS
Orgão: Pref. Santana Parnaíba-SP
Provas:

Segundo a norma NBR 8403 da ABNT, as larguras das linhas devem ser escolhidas conforme o tipo, a dimensão, a escala e a densidade de linhas no desenho, de acordo com o seguinte escalonamento:

 

Provas

Questão presente nas seguintes provas
3458130 Ano: 2022
Disciplina: Desenho Técnico e Industrial
Banca: IMAIS
Orgão: Pref. Santana Parnaíba-SP
Provas:

Acerca da escala ideal a ser aplicada em um projeto (planta baixa) onde será utilizada uma folha no formato A3, com 10 mm de margem em cada lado e com uma edificação de dimensão máxima de 18 m de largura, assinale a alternativa correta.

 

Provas

Questão presente nas seguintes provas
3458129 Ano: 2022
Disciplina: Desenho Técnico e Industrial
Banca: IMAIS
Orgão: Pref. Santana Parnaíba-SP
Provas:

Analise o desenho abaixo para responder à questão.

Enunciado 3623359-1

Segundo o padrão de desenho técnico, a linha representada na imagem acima é denominada

 

Provas

Questão presente nas seguintes provas