Foram encontradas 300 questões.
Para responder às questões 54 a 56, considere a obra “Serviço Social: Direitos Sociais e Competências Profissionais” (CFESS-ABEPSS, 2009).
Joaquina Barata Teixeira trata da formulação, administração e execução de políticas públicas. Sobre o tema, é correto afirmar que:
Provas
Analise a figura abaixo:

Posicione os instrumentos de medição de modo que seja possível realizar adequadamente as medições das grandezas elétricas no circuito.
Observação: assumir instrumentos de medição ideais.
Provas
Para responder às questões 54 a 56, considere a obra “Serviço Social: Direitos Sociais e Competências Profissionais” (CFESS-ABEPSS, 2009).
Regina Célia Tamaso Mioto trata dos Estudos Socioeconômicos. Sobre o tema em questão, é INCORRETO afirmar que:
Provas
Um estabelecimento possui uma média mensal de consumo de energia de 500 kWh (no período de um ano, base: faturamento da concessionária de energia) e está localizado em uma região cuja irradiação solar diária média mensal é 5,00 kWh/m² (obtido a partir de geolocalização e software especializado). Analise as especificações abaixo:
- Potência nominal do painel: 600 W.
- Rendimento geral do sistema: 100% (sistema sem perdas).
- Observação: assumir mês de 30 dias.
Qual será a quantidade de painéis solares necessárias para atender ao consumo de energia elétrica do estabelecimento?
Provas
O piso salarial de assistentes sociais é um importante assunto que se debate no âmbito da categoria profissional na atualidade. Sobre o tema, é correto afirmar que:
Provas
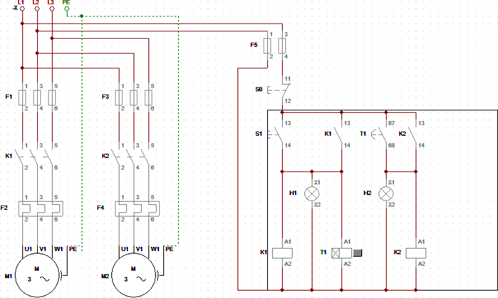
Sobre o esquema de acionamento de dois motores exibido na figura a seguir, analise as assertivas abaixo:

I. O motor M2 é acionado diretamente pela chave S0.
II. O motor M1 é acionado diretamente pela chave S0.
III. O desligamento de todos os motores é realizado na chave S0.
IV. A partida do sistema é realizada pela chave S1.
V. O acionamento do motor M2 é realizado pelo temporizador T1, após algum tempo de funcionamento do motor M1.
Quais estão corretas?
Provas
Determine o módulo da corrente de um sistema elétrico trifásico, cuja potência ativa é de 22,5 kW, tensão fase a fase de VFF = 380 V e fator de potência FP = 0,90.
Observação: efetue arredondamentos a partir da segunda casa decimal.
Provas
Analise a figura a seguir:

Quais são os principais elementos de um Sistema de Proteção de Descargas Atmosféricas (SPDA)?
Provas
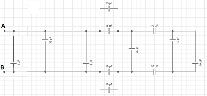
Analise a figura a seguir:

Determine a capacitância equivalente entres os pontos A e B do circuito da figura apresentada.
Provas
Para responder às questões 49 e 50, considere a Tipificação Nacional de Serviços Socioassistenciais (MDS, 2014).
Analise as assertivas abaixo e assinale a alternativa correta.
I. A proteção social básica apreende o Serviço de Proteção e Atendimento Integral à Família (PAIF), o Serviço de Convivência e Fortalecimento de Vínculos (SCFV) e o Serviço de Proteção Social Básica no Domicílio para Pessoas com Deficiência e Idosas.
II. O equipamento recomendado para a realização do serviço socioassistencial trata-se da unidade.
III. O Serviço de Proteção e Atendimento Integral à Família (PAIF) consiste no trabalho social com famílias, de caráter continuado, com a finalidade de fortalecer a função protetiva das famílias, prevenir a ruptura dos seus vínculos.
Provas
Caderno Container