Foram encontradas 690 questões.
Disciplina: Legislação Municipal
Banca: FUNDATEC
Orgão: Pref. Nova Candelária-RS
Segundo a Lei Orgânica do Munícipio de Nova Candelária/RS a quem incumbe exercer a fiscalização da administração financeira e orçamentária do município?
Provas
Disciplina: Engenharia Elétrica
Banca: FUNDATEC
Orgão: Pref. Nova Candelária-RS
Considerando a norma brasileira de instalações elétricas (NBR-5410), determine o número de TUG para o quarto de uma residência.

Provas
Disciplina: Direito Constitucional
Banca: FUNDATEC
Orgão: Pref. Nova Candelária-RS
Sobre o Capítulo da Administração Pública previsto na Constituição Estadual do Rio Grande do Sul, analise as assertivas abaixo e assinale a alternativa correta.
I. A investidura em cargo ou emprego público assim como a admissão de empregados na administração indireta e empresas subsidiárias dependerão de aprovação prévia em concurso.
II. Integram a administração indireta as fundações instituídas ou mantidas pelo Estado.
III. Não há impedimento para contratação de cônjuges ou parentes do Governador para os cargos em comissão.
Provas
A Lei Maria da Penha (Lei nº 11.340/2006) define os tipos de violência direcionados à mulher. Nesse sentido, uma das formas de violência contra a mulher é a violência , entendida como qualquer conduta que a constranja a presenciar, a manter ou a participar de relação sexual não desejada, mediante intimidação, ameaça, coação ou uso da força; que a induza a comercializar ou a utilizar, de qualquer modo, a sua sexualidade, que a impeça de usar qualquer método contraceptivo ou que a force ao matrimônio, à gravidez, ao aborto ou à prostituição, mediante coação, chantagem, suborno ou manipulação; ou que limite ou anule o exercício de seus direitos sexuais e reprodutivos.
Assinale a alternativa que preencha corretamente a lacuna do trecho acima.
Provas
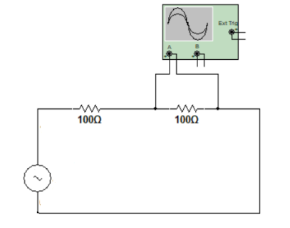
Disciplina: Engenharia Elétrica
Banca: FUNDATEC
Orgão: Pref. Nova Candelária-RS
Com base na leitura do osciloscópio para o circuito a seguir, sabendo que a escala de tensão é de 20V/Div, determine a tensão eficaz fornecida pela fonte. Considere o valor arredondado sem casas decimais.


Provas
Disciplina: Direito Constitucional
Banca: FUNDATEC
Orgão: Pref. Nova Candelária-RS
A Constituição Federal de 1988 assegura, no Art. 6º, os denominados Direitos Sociais. Assinale a alternativa que NÃO contempla um exemplo de Direito Social.
Provas
Disciplina: Legislação Municipal
Banca: FUNDATEC
Orgão: Pref. Nova Candelária-RS
Sobre as competências do Município de Nova Candelária/RS, determinadas pela Lei Orgânica do Município, analise as assertivas abaixo e assinale a alternativa correta.
I. O ensino nas escolas públicas municipais será acessado pela população mediante pagamento de mensalidade.
II. O município fomentará e amparará o esporte, o lazer, a recreação e o turismo no município.
III. A saúde é um direito de todos os munícipes, e as ações e serviços públicos serão definidas pelo Sistema Único de Saúde, que será financiado com recursos do orçamento da União, do Estado, do Distrito Federal e dos Municípios, além de outras fontes.
IV. Não compete ao Município valorizar e estimular as manifestações culturais.
Provas
Disciplina: Legislação Municipal
Banca: FUNDATEC
Orgão: Pref. Nova Candelária-RS
De acordo com o que estabelece o Regime Jurídico dos Servidores Públicos do Munícipio de Nova Candelária/RS, a investidura em cargo público ocorrerá por:
Provas
Disciplina: Engenharia Elétrica
Banca: FUNDATEC
Orgão: Pref. Nova Candelária-RS
Sobre a figura a seguir, considerando o aterramento, podemos afirmar que é do tipo:

Provas
Disciplina: Direito Constitucional
Banca: FUNDATEC
Orgão: Pref. Nova Candelária-RS
- Direitos e Garantias FundamentaisDireitos de NacionalidadeBrasileiros Natos e NaturalizadosCargos Privativos
Juan, argentino, médico, 50 anos de idade, morador da cidade de Nova Calendária/RS há 10 anos, deseja se candidatar ao cargo de Presidente da República Federativa do Brasil, nas eleições de 2026. Nesse caso, de acordo com a Constituição de 1988, assinale a alternativa correta.
Provas
Caderno Container