Foram encontradas 1.033 questões.
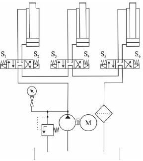
Disciplina: Engenharia Mecânica
Banca: CESPE / CEBRASPE
Orgão: Polícia Científica-PE

O esquema precedente mostra um circuito hidráulico que funciona
Provas
Disciplina: Engenharia Mecânica
Banca: CESPE / CEBRASPE
Orgão: Polícia Científica-PE

A seguir, são apresentados parâmetros relacionados à figura precedente, que mostra o balanço de forças em uma correia plana.
• massa da correia: m = 0,1 kg
• velocidade linear: V = 2 m/s
• coeficiente de atrito: µ
• ângulo de abraçamento: θ
• eμθ = 12
• raio da polia: R = 0,1 m
• F2 = 5 N
A partir dessas informações, é correto afirmar que F1 é igual a
Provas
Disciplina: Engenharia Mecânica
Banca: CESPE / CEBRASPE
Orgão: Polícia Científica-PE

No que se refere à figura precedente, que mostra as transformações sofridas em metais após processo de soldagem, assinale a opção correta.
Provas
Disciplina: Engenharia Mecânica
Banca: CESPE / CEBRASPE
Orgão: Polícia Científica-PE

Considere que, no sistema de engrenagens da figura precedente, a coroa identificada pelo número 2 gire a n2 = 200 rpm, no sentido anti-horário em relação ao eixo-y. Nessa situação, a coroa sem fim gira a
Provas
Disciplina: Engenharia Mecânica
Banca: CESPE / CEBRASPE
Orgão: Polícia Científica-PE

James F. Shackelford. Ciência dos materiais. 6.ª ed., Pearson Prentice Hall, p. 231, 2008 (com adaptações).
A figura precedente apresenta o diagrama tempo × temperatura × transformação (TTT) para uma liga Fe-C na composição eutetoide. Nesse diagrama, P, Q e R indicam três curvas de resfriamento.
Com base no diagrama TTT apresentado, é correto afirmar que a curva
Provas
Disciplina: Engenharia Mecânica
Banca: CESPE / CEBRASPE
Orgão: Polícia Científica-PE

O estado plano de deformações pode ser representado graficamente para se determinar sua solução por meio das componentes das deformações por cisalhamento (γ) e normal (ε). Na situação da figura precedente, que ilustra o círculo de Mohr para um estado plano de deformação, as deformações principais εmax e εmin são iguais, respectivamente, a
Provas
Disciplina: Engenharia Mecânica
Banca: CESPE / CEBRASPE
Orgão: Polícia Científica-PE

Para os casos de estruturas estaticamente indeterminadas, as equações de equilíbrio não são suficientes para determinar as ações e as reações na estrutura, a menos que as deformações sejam levadas em consideração. Nesse contexto, considere a figura acima, que mostra uma barra constituída de dois trechos (OM e MN) e rigidamente presa nas extremidades. O módulo de elasticidade do material da viga é 21.000 kN/cm², a área da seção transversal do trecho OM é 5 cm², a área da seção transversal do trecho MN é 7,5 cm² e a força P indicada é igual a 60 kN.
Tendo como referência a figura e as informações apresentadas, e considerando que o sistema esteja em equilíbrio e haja compatibilidade das deformações nos trechos, as reações R1 e R2 são iguais, respectivamente, a
Provas
Disciplina: Engenharia Mecânica
Banca: CESPE / CEBRASPE
Orgão: Polícia Científica-PE

A figura precedente ilustra a situação em que uma viga prismática (barra de eixo reto e seção transversal constante), feita de material elástico linear, é submetida a uma força de 20 kN. O momento de inércia (I) da seção transversal da viga é dado por I = (b × h³)/12, em que b = 10 cm e h = 30 cm. O módulo de elasticidade do material da viga é 21.000 kN/cm². Após a deformação, as seções transversais da viga permanecem planas e os deslocamentos da linha elástica são de pequena amplitude.
Na situação apresentada, o deslocamento vertical máximo da viga, em cm, é
Provas
Disciplina: Engenharia Mecânica
Banca: CESPE / CEBRASPE
Orgão: Polícia Científica-PE

A figura ilustra um automóvel de peso total 9.000 N, parado em um plano horizontal, com o centro de gravidade (CG) localizado a igual distância dos lados direito e esquerdo do automóvel. Nessa situação, as forças de reação, em newtons, em cada pneu dianteiro e em cada pneu traseiro do automóvel são iguais, respectivamente, a
Provas
Disciplina: Engenharia Florestal
Banca: CESPE / CEBRASPE
Orgão: Polícia Científica-PE
Provas
Caderno Container