Foram encontradas 1.190 questões.
O decibel é utilizado para indicar uma medida da potência de um sinal em relação a outra medida de potência de referência. Assim, dadas duas potências, P1 e P2 , o valor de P2 pode ser medido (em decibéis) em relação a P1 aplicando-se a fórmula P2(dB) = 10log10(P2 /P1 ). Por exemplo, se P2 é a metade de P1 , então P2 (db) = – 3 db (tendo P1 como referência), pois log10(0,5) ≈ – 0,3. Em um determinado enlace de rádio, a antena de transmissão impõe ao sinal, no momento da transmissão, um ganho de 44 dB. Durante a propagação do sinal, esse ganho sofre uma atenuação de 99 dB. A antena receptora, por sua vez, proporciona um novo ganho de 48 dB sobre o sinal recebido.
Sabendo-se que a potência de entrada da antena de transmissão (antes do ganho imposto por ela) é de 700 W, a potência do sinal recebido após todo o caminho percorrido, incluindo o ganho da antena de recepção, em W, é de
Provas
Um engenheiro de equipamentos está trabalhando em uma planta que pode ser representada pelo diagrama de blocos abaixo, em que r(t) e y(t) são a entrada e saída dessa planta, respectivamente.

Após análise do diagrama, conclui-se que a função de transferência do sistema é representada por
Provas
O amplificador representado na Figura a seguir está polarizado com uma fonte de alimentação simples VCC = 15 V e emprega um amplificador operacional com impedância de saída zero e com impedância de entrada e ganho muito altos.

Nesse circuito, o ganho de sinal Vo /Vi na banda passante da sua resposta em frequência será de
Provas

Na Figura acima, está um Amplificador Inversor, cujas resistências R1 e Rf valem, respectivamente, 10 Ω e 50 Ω e a entrada Vi = 100 mVcc.
O valor esperado na saída, Vo, do amplificador, em mV, é
Provas
Estão apresentados nas Figuras abaixo um circuito lógico e sua Tabela verdade.

Usando-se os dados exibidos nas Figuras acima, verifica- -se que as expressões booleanas das saídas S1 e S2 são, respectivamente:
Provas
A Figura abaixo representa uma linha de transmissão de energia elétrica com as três fases e a referência terra.

Sabe-se que a equação matricial que relaciona os componentes simétricos com os seus respectivos fasores, na situação de um curto-circuito, é dada por:

Essa falta refere-se a um curto-circuito entre
Provas
Provas
Em um determinado setor de um sistema elétrico onde se encontra uma linha de transmissão de 500 Ω, adotaram-se como bases a tensão de 200 kV e a potência de 4,0 MVA.
A impedância dessa linha de transmissão em pu é igual a
Provas
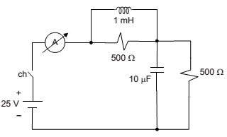
Considere o circuito elétrico alimentado por uma fonte de tensão contínua mostrado na Figura a seguir. O indutor e o capacitor estão inicialmente descarregados. Os componentes são considerados ideais, e seus valores numéricos estão impressos no circuito.
Duas medidas de corrente elétrica são efetuadas no amperímetro: a primeira medida é feita no exato instante em que a chave (ch) é fechada, e a segunda medida é realizada, com a chave ligada, depois de um tempo suficiente para o circuito atingir o estado estacionário.

Sobre os resultados obtidos nas duas medidas de corrente, constata-se que
Provas
Considere um transformador em fase, trifásico e abaixador, com relação de transformação, em pu, dada por (1: a), sendo empregado em um sistema elétrico de potência radial com finalidade de realizar o controle da magnitude da tensão terminal. Esse transformador possui relação nominal de transformação de 130 kV / 65 kV. Considere que as tensões nominais do transformador sejam base do sistema, e que esse transformador esteja sendo alimentado, em seu primário, por uma tensão de 125 kV e que a tensão observada no secundário seja de 70 kV.
Nas condições acima definidas, o valor aproximado, em pu, do tap “a” desse transformador é:
Provas
Caderno Container