Foram encontradas 1.925 questões.

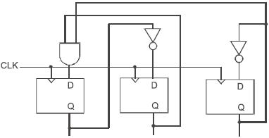
Considerando que os flip-flops da figura acima comecem zerados, o número de estados que se repetem indefinidamente é
Provas
Questão presente nas seguintes provas

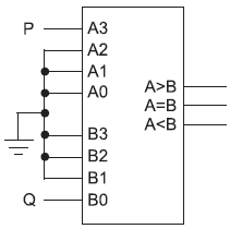
O circuito acima usa um comparador de igualdade e magnitude para números de 4 bits, como o 7485.
As lógicas das saídas A>B, A=B e A<B, em função de P e Q, são, respectivamente,
Provas
Questão presente nas seguintes provas
Sejam A, B e C números de 8 bits representados sem sinal (0 a 255). Sejam !$ \bar{A} !$, !$ \bar{B} !$ e !$ \bar{C} !$ os números que representam os respectivos complementos de A, B e C.
A soma !$ \bar{A}+ \bar{B} + \bar{C} !$ é, portanto, igaul a
Provas
Questão presente nas seguintes provas

No circuito eletrônico da figura acima, considere o amplificador operacional ideal. Um sinal senoidal, cuja forma de onda é esboçada na própria figura, é aplicado à entrada Vin. Qual a forma de onda que melhor representa a saída V0 do circuito acima?
Provas
Questão presente nas seguintes provas

No circuito da figura acima, as chaves S1 e S2 estão inicialmente abertas, e os capacitores C1 e C2 completamente descarregados. A este circuito é aplicada uma fonte de tensão constante VS = 12 V, conforme mostrado no esquemático. No instante de tempo t = t1, a chave S1 é fechada, e a chave S2 é mantida aberta. Após o circuito atingir o regime permanente, no instante t = t2, a chave S1 é aberta, e a chave S2 é fechada.
Considere IR2 a corrente que circulará pelo resistor R2 imediatamente após a comutação das chaves em t = t2 e VC2 a tensão que será medida sobre o capacitor C2 quando o circuito atingir o regime permanente, para t > t2. Os valores da corrente IR2, em mA, e da tensão VC2, em V, são, respectivamente,
Provas
Questão presente nas seguintes provas

Para acionar um relé a partir de um circuito de controle digital, um engenheiro montou o circuito apresentado acima. Quando a tensão na entrada VIN for igual a + 5,0 V (nível lógico alto), o transistor Q1 fará passar uma corrente pela bobina do relé, provocando o fechamento da chave. No projeto, o engenheiro empregou um transistor cujo parâmetro !$ \beta !$ pode assumir valores entre 100 e 400, de acordo com o manual do fabricante.
Considerando que Q1 apresenta VBE = 0,7 V e VCE = 0,2 V no modo de saturação, qual o limite máximo que a resistência RB pode assumir de maneira a garantir que Q1 opere na saturação quando VIN = + 5,0 V?
Provas
Questão presente nas seguintes provas

O circuito da figura acima representa um filtro analógico RC-ativo de segunda ordem, onde o amplificador operacional é considerado ideal.
A partir da topologia do circuito, infere-se que o filtro acima é do tipo
Provas
Questão presente nas seguintes provas

Uma carga resistiva trifásica é conectada à rede de distribuição através de uma linha, conforme indicado na figura acima.
O valor, em ampère, da corrente IL é
Provas
Questão presente nas seguintes provas
Um gás é aquecido em uma caldeira, e o seu volume se expande de 1 m3 para 3 m3, a uma pressão constante de 2 N/m2.
O trabalho realizado pelo gás, em joule, é
Provas
Questão presente nas seguintes provas

A figura acima mostra dois sistemas elétricos de potência conectados por uma linha de transmissão de impedância Z = j 0,5 pu. As tensões terminais da linha são V1 e V2 conforme indicado na figura acima.
O fluxo de potência do sistema #1 para o sistema #2, em pu, é
Provas
Questão presente nas seguintes provas
Cadernos
Caderno Container