Foram encontradas 3.478 questões.
Um condutor é percorrido por uma corrente de 3 (três) ampères. O número de elétrons que passa por um ponto fixo nesse condutor, em um minuto, é (Dado: considere a carga do elétron 1,6 x 10-19 C.)
Provas
Considerando o princípio da Indução Magnética, de acordo com a Lei de Lenz, pode-se afirmar que
Provas

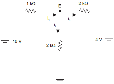
No circuito acima, a corrente i2 e a tensão no nó E são, respectivamente,
Provas
Quanto à utilização do voltímetro, deve-se considerar que
Provas
Uma fonte é utilizada como gerador de clock para um circuito sequencial síncrono. O circuito não está funcionando corretamente, pois o tempo de transição entre os estados está maior que o esperado. Após uma análise do circuito, suspeita-se que o problema está no período do sinal, na saída do gerador de clock. Para medir o período deste sinal, deve-se utilizar, preferencialmente um
Provas
Deseja-se medir um resistor utilizando um ohmímetro. Dentre as representações abaixo, qual corresponde à forma correta de se utilizar o ohmímetro?
Provas
Deseja-se medir o período e a amplitude de um sinal senoidal na saída de um circuito. Para isso foi utilizado um osciloscópio que apresentou em sua tela o gráfico ao lado. Qual regulagem no osciloscópio deve ser feita para realizar a medição?
Provas
Deseja-se medir a corrente em um resistor. A forma correta de se ligar o amperímetro é descrita por
Provas

Considerando o amplificador operacional ideal, a tensão de saída Vo no circuito abaixo é dada por:
Provas
A atenuação no espaço livre em dB a uma distância d de uma antena isotrópica que irradia um sinal de comprimento de onda !$ lambda !$ é dada por
Provas
Caderno Container