Foram encontradas 100 questões.

A figura acima mostra o visor de um Wattímetro. De acordo com os símbolos mostrados em seu visor, o princípio de funcionamento e o valor da tensão de isolamento são, respectivamente,
Provas
A intensidade da corrente que, ao percorrer um condutor reto e muito extenso, produz um campo magnético representado por B = 3,0x10-6 Tesla, em um ponto a 0,6 m desse condutor, tem como valor
(Dado: !$ mu !$0 = 4!$ pi !$.10-7 T.m/A)
Provas

O valor da corrente fornecida pela fonte no circuito representado acima é, aproximadamente,
Provas
Uma fábrica com potência instalada de 3kW e potência aparente de 5kVA deseja corrigir o seu fator de potência para 0,92. O valor da potência a ser fornecida pelo banco de capacitores, em kVAR, é, aproximadamente,
(Dados: tang (acos 0,92) !$ approx !$ 0,43 e
sen (acos 0,92) !$ approx !$ 0,39)
Provas
O valor aproximado da resistência elétrica de um resistor, cuja potência média dissipada é igual a 500W, quando submetido a uma tensão alternada e(t)=Emáxsen(!$ omega !$t), onde Emáx = 150 !$ sqrt{2} !$ V e !$ omega !$ = 377 rad/s, é, aproximadamente,
Provas
20000nA é igual a
Provas
Se uma corrente de 4 A passar através de um medidor durante 1 minuto, a carga que passa pelo medidor é de
Provas

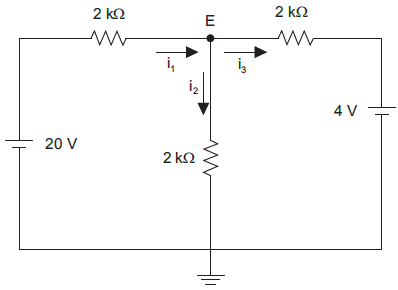
No circuito acima, a corrente i3 e a tensão no nó E são, respectivamente,
Provas
Uma bola é lançada horizontalmente a uma certa altura h do solo.

Desprezando a resistência do ar, qual das figuras abaixo representa os vetores velocidade e aceleração do corpo no ponto P?
Provas
Um corpo é abandonado de um ponto A, a uma altura de h = 10,0 m por meio de um plano inclinado, conforme mostrado abaixo.

Supondo que não haja atrito e desprezando a resistência do ar, qual é, em m/s, a velocidade do corpo no ponto B? Dado: considere g = 10 m/s2.
Provas
Caderno Container