Foram encontradas 120 questões.
Um sistema trifásico hipotético a quatro fios é responsável por alimentar cargas trifásicas e monofásicas não lineares. As tensões do sistema são senoidais, com frequência de 60 Hz. Nessas condições, são gerados harmônicos de corrente que se propagam pelo sistema, em função da presença de cargas não lineares. Com relação aos componentes simétricos destas correntes,
Provas
Em uma carga trifásica desbalanceada ligada a três fios, a equação que relaciona os módulos da tensão de deslocamento de neutro VNN’ com a tensão de sequência zero V0 na carga é
Provas
Uma das finalidades do aterramento é prover segurança ao operador ou usuário de um equipamento elétrico. Para tanto, é necessário que a corrente de falta seja maior que a corrente de atuação do dispositivo de proteção. Essa condição depende
Provas

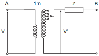
Com o objetivo de melhorar a regulação da tensão em sistemas de potência, pode-se usar um transformador em fase, com relação de espiras variável. No contexto da modelagem de sistemas, considerando os valores por unidade (pu), teoricamente seriam necessárias mudanças de base a cada variação na relação de espiras do transformador. Para contornar este problema, o equipamento é modelado por um transformador ideal com relação de espiras 1:n em série com uma impedância, conforme mostra a figura acima.
Suponha que o transformador abaixador em fase conecte duas barras com tensões nominais de 130/69 kV. Em uma situação hipotética, na qual as tensões terminais valem 140/56 kV, o valor de n, em pu, é
Provas

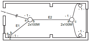
A figura acima apresenta a planta baixa da instalação elétrica da sala de um apartamento. De acordo com a planta, os condutores que devem passar pelo eletroduto E2 são
Provas
Para realizar a escolha do Esquema de Aterramento, devem ser conhecidas as necessidades dos locais envolvidos. Numa instalação em que é fundamental manter a continuidade do serviço elétrico e, ao mesmo tempo, ter uma melhor qualidade de energia fornecida aos equipamentos, o Esquema adequado é o
Provas
|
Consumidor |
Potência Instalada [kW] |
Demanda Máxima[kW] |
| I | 350 | 300 |
| II | 400 | 250 |
| III | 800 | 700 |
| IV | 150 | 100 |
| V | 70 | 50 |
A tabela acima apresenta os resultados de um estudo feito em um sistema de distribuição. Com base nessas informações e sabendo que a demanda máxima do conjunto é 900 kW, o fator de demanda diário do conjunto de consumidores é, aproximadamente,
Provas
Considere uma linha de transmissão trifásica, circuito simples, de 60 Hz, com 100 km de comprimento. No terminal da linha está conectada uma carga de 10 MVA, com fator de potência 0,8 atrasado a uma tensão de 100 kV.
Dados da linha:
R = 0,1 !$ Omega !$/km
L = 2,5 mH/km
C = 0,01 !$ mu !$F/km
O valor do SIL (surge impedance loading) desta linha, em MW, é
Provas
Para o projeto de uma usina hidrelétrica cuja frequência de operação é de 60 Hz, os técnicos previram que as máquinas terão o máximo de rendimento na velocidade de 83,73 rpm. O número de polos desse gerador deverá ser
Provas
Um gerador de corrente contínua, com excitação independente, acionado a uma velocidade de 2000 rpm, apresenta uma tensão induzida de 400 V. Se este gerador for acionado a 1500 rpm funcionando a vazio, o valor da tensão terminal, em volts, será
Provas
Caderno Container