Foram encontradas 100 questões.
Uma equipe de manutenção precisou atuar no reparo de sistema de transmissão do sinal de controle de uma válvula pneumática, que deixou de funcionar adequadamente às 15h17min do dia 21 de janeiro deste ano. Essa equipe, ao analisar a linha de controle, observou que não havia qualquer problema na geração do sinal de controle ou na válvula propriamente dita. Entretanto, observou uma perda de carga do sinal de controle muito acima do normal, o que a levou a analisar a linha de transmissão do sinal de controle e a encontrar um furo nessa linha. A decisão da equipe foi reparar o furo na linha e programar uma parada para sua substituição em momento mais adequado para o ciclo de produção total da planta. Como é classificado o tipo de manutenção realizada por essa equipe?
Provas
Os processos de soldagem MIG (Metal Inert Gas) e MAG (Metal Active Gas) utilizam um arco elétrico como fonte de calor. Esse arco é mantido entre o nu eletrodo consumível e a peça a soldar. A respeito das principais vantagens desse processo, assinale a afirmativa INCORRETA.
Provas
Materiais conhecidos como amorfos ou não cristalinos são aqueles que não apresentam regularidade (ordem) em sua estrutura atômica – seus átomos são ligados de maneira desordenada devido a fatores diversos. Entre os materiais abaixo, identifique aquele que NÃO apresenta essa característica.
Provas
Qual é o valor do esforço atuante na viga AB na estrutura mostrada na figura abaixo?

Provas
Foi instalado um tubo de pitot simples no costado de um pequeno barco que trafega em um lago de águas calmas, como mostra a figura, com uma velocidade de 36km/h.

Nesse cenário, é correto afirmar que a h alcançada pela água no ramo vertical é (ρÁgua = 1000 kg/m³, g = 10 m/s²)
Provas
Correlacione os processos de usinagem com a sua descrição.
| 1 | Aplainamento |
| 2 | Mandrilamento |
| 3 | Brochamento |
| 4 | Roscamento |
| 5 | Retificação |
( ) Destinado à obtenção de superfícies regradas, geradas por movimentos retilíneos alternativos da ferramenta ou da peça, no sentido vertical ou horizontal.
( ) Empregado para a obtenção de superfícies variadas, empregando ferramentas multicortantes. A ferramenta ou a peça se desloca segundo uma trajetória retilínea, coincidente ou paralela ao eixo da ferramenta.
( ) Empregado para a obtenção de superfícies lisas. Processo de usinagem por abrasão, no qual a ferramenta gira e se desloca, assim como a peça, seguindo uma trajetória determinada. A peça pode girar ou não.
( ) Destina-se à obtenção de superfícies de revolução com o uso de uma ou várias ferramentas de barra.
( ) Empregado visando à obtenção de filetes, por meio da abertura de um ou vários sulcos helicoidais de passo uniforme, em superfícies cilíndricas ou cônicas de revolução. A peça ou a ferramenta gira, e uma delas se desloca ao mesmo tempo, conforme uma trajetória retilínea, que pode ser paralela ou inclinada em relação ao eixo de rotação.
Assinale a alternativa que apresente a sequência correta, de cima para abaixo.
Provas

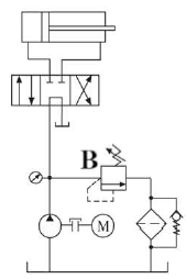
No pequeno circuito hidráulico mostrado na figura, o componente marcado com a letra B representa o(a)
Provas

Quantos são os graus de liberdade da barra B mostrada na figura?
Provas
Qual a leitura no Amperímetro e no Voltímetro representados no circuito mostrado na figura, respectivamente? (Despreze eventual sinal negativo.)

Provas
- Direitos e Garantias FundamentaisDireitos e Deveres Individuais e ColetivosRemédios ConstitucionaisHabeas Corpus
O remédio constitucional do Habeas Corpus é uma das mais importantes garantias previstas na Carta Magna de 1988, visando preservar o direito de locomoção diante de uma ameaça de sofrer violência ou de uma coação ao seu direito de ir e vir, por ilegalidade ou abuso de poder. A respeito da legitimidade ativa no Habeas Corpus, assinale a afirmativa INCORRETA.
Provas
Caderno Container