Foram encontradas 2.008 questões.
A Lei nº 10.257, de julho de 2001, regulamenta artigos da Constituição Federal, define diretrizes gerais da política urbana e dá outras providências. Esta lei, denominada Estatuto da Cidade, estabelece normas de ordem pública e interesse social que regulam o uso da propriedade urbana em prol do bem coletivo, da segurança e do bem estar dos cidadãos, bem como do equilíbrio ambiental. Para tanto foram estabelecidas diretrizes gerais.
A diretriz de número I coloca:
"... garantia do direito a cidades sustentáveis, entendido como direito à terra urbana, à moradia, ao saneamento ambiental, à infra-estrutura urbana, ao transporte e aos serviços públicos, ao trabalho e ao lazer, para a presente e futuras gerações;"
Considerando essa diretriz e as regiões metropolitanas de São Paulo, Rio de Janeiro e Belo Horizonte, é possível afirmar que
I. a maioria dessas regiões ainda apresentam situações alarmantes e pouco reversíveis quanto à sustentabilidade, tendo em vista o esgotamento de seus recursos naturais para as funções urbanas e as demandas sociais resultantes do processo de urbanização e metropolização das últimas décadas.
II. de forma geral, as regiões metropolitanas brasileiras têm demandado, obtido e utilizado recursos financeiros consideráveis para soluções parciais de serviços públicos, como por exemplo, o esgotamento sanitário.
III. a conscientização da maioria dos cidadãos a respeito de seus direitos, previstos nessa legislação, tem consolidado políticas públicas suficientes para o acesso geral de população à moradia nessas regiões metropolitanas.
Está correto SOMENTE o que se afirma em
Provas
Na década de 1970 assistiu-se a expansão das empresas multinacionais, que eram comparadas a polvos dotados de múltiplos tentáculos, embora todos dependentes do mesmo centro. Mas a "empresa global" de hoje deixou de ter um centro, uma matriz: ela é um organismo sem cabeça, uma rede de elementos complementares e disseminados pelo planeta, que obedecem a duas palavras chave: rentabilidade e produtividade.
Assim, uma empresa francesa pode solicitar empréstimos na Suíça, instalar seu centro de pesquisas na Alemanha, comprar suas máquinas na Coréia do Sul, construir suas usinas na China, elaborar suas campanhas publicitárias na Itália, vender principalmente nos Estados Unidos e ter sociedades com capital misto na Polônia, Marrocos e México.
Longe de serem mundiais, essas empresas são, de fato, triádicas, isto é, intervêm essencialmente nos três pólos que dominam a economia do globo: América do Norte, Europa Ocidental e região Ásia-Pacífico. A globalização provoca uma ruptura do planeta entre esses três pólos, cada vez mais integrados, e o resto dos países (em particular os da África) cada vez mais pobres e em parte excluídos da modernização tecnológica.
(Ramonet, Ignácio. Geopolítica do caos. Petrópolis: Vozes, 1998)
Diante das idéias deste autor, podemos dizer que
Provas
Menos de 14% da madeira amazônica é exportada. A própria Amazônia consome 10% da madeira produzida. O Sudeste, 37% e o Sul 19%. São Paulo e Paraná representam, respectivamente, metade do consumo dessas duas regiões. A partir desses resultados, as ONGs redirecionaram a campanha que iriam efetuar visando as indústrias consumidoras de madeiras no exterior, e voltaram-se para suas equivalentes nacionais. O objetivo é incitá-las a reduzir os desperdícios, utilizando maior número de espécies amazônicas, o que permitiria reduzir a pressão sobre algumas espécies mais valorizadas pelos mercados, assim como evitar a queima de outras espécies por falta de mercados. A campanha visou também aos consumidores brasileiros, para que dessem preferência a firmas que comprovassem que suas madeiras provinham de explorações de manejo florestal.
(Thery, Hervé e Mello, Neli Aparecida de. Atlas do Brasil: disparidades e dinâmicas do território. São Paulo: EDUSP/Imprensa Oficial, 2005)
Com base no texto e nos seus conhecimentos sobre conservação de florestas tropicais, marque a resposta correta.
Provas
A fase atual (...) é o momento no qual se constitui, sobre territórios cada vez mais vastos, o que estamos chamando de meio técnico-científico (...) melhor será chamá-lo de meio técnico científico informacional... (Santos, M., 2005)
O autor refere-se ao momento histórico no qual:
Provas
(...) "Parece não haver dúvida de que a cidade se reproduz, continuamente, como condição geral do processo de valorização gerado no capitalismo no sentido de viabilizar os processos de produção, distribuição, circulação, troca e consumo e, com isso, permitir que o ciclo do capital se desenvolva e possibilite a continuidade da produção, logo, sua reprodução." (Carlos, 2001)
Esta visão do processo de urbanização é compatível com
Provas

Relacione as áreas assinaladas no mapa com a ocorrência dos problemas ambientais a seguir.
I. Ocorrência de chuva ácida.
II. Ocorrência de acidentes com petróleo.
III. Áreas em processo de desertificação.
IV. Desmatamento da floresta tropical.
V. Vazamento de petróleo
Indique a seqüência correta da relação de ocorrência com as áreas assinaladas no mapa.
A B C D
Provas
Ao geógrafo cabe conhecer, além de técnicas próprias da Ciência Geográfica, determinadas técnicas de ciências afins, como por exemplo, técnicas básicas de pedologia, estatística ou hidrologia, dentre outras. Os estudos de bacias hidrográficas necessitam, por exemplo, que se reconheçam as quantidades de água que entram no sistema. Existem diversas metodologias para se estimar a entrada de água no sistema bacia hidrográfica.

As figuras I, II e III representam, respectivamente, os métodos:
I II III
Provas

![]()
Provas
I. A incineração de lodos de estações de tratamento de água é vantajosa, pois eles possuem alto poder calorífico.
II. A atividade biocida do ozônio, empregado na desinfecção da água, é influenciada pelo pH.
III. Uma das desvantagens da desinfecção da água com a radiação ultravioleta é a falta de residual no sistema de distribuição.
É correto o que se afirma APENAS em
Provas
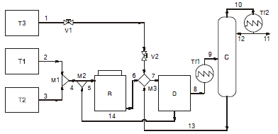
Você acabou de ser contratado para dar continuidade ao desenvolvimento e implantação de um processo em uma grande indústria química. O processo será basicamente a produção do composto c a partir da reação dos componentes a e b, subprodutos desta indústria. A reação entre a e b, que possuem mesma massa molecular , é uma reação endotérmica e ocorre em fase líquida a 24 °C, obedecendo a seguinte estequiometria:
a + b → c ΔHreação = 40 kJ/(kg de c formado)
O diagrama do processo a ser implantado está representado abaixo.

Os componentes a e b estão estocados nos tanques T1 e T2 respectivamente. Depois de misturados em temperatura ambiente a corrente resultante (4) é misturada com uma corrente de reciclo (14) e alimentada no reator (corrente 5). Na reação, todo componente b presente no reator é consumido. A saída do reator (corrente 6) é então misturada com um solvente (componente d), proveniente do tanque de estocagem T3 e da saída do reciclo proveniente da coluna de destilação C, e alimentada no decantador D (corrente 7). Os componentes d e a são totalmente imiscíveis e o componente c particiona preferencialmente para fase rica no componente d seguindo para a destilação (correntes 8 e 9). A fase de fundo do decantador, rica no componente a, é reciclada para o reator (corrente 14). Na destilação os componentes c e d são separados, a corrente mais pesada, rica em d (corrente 13) é reciclada para a entrada do decantador. A corrente 11 é a corrente de produto do processo. As concentrações das correntes de entrada e saída do processo, bem como as correntes da coluna de destilação estão descritas na tabela abaixo.

Dos pontos (1-10) representados no diagrama de equilíbrio líquido-líquido entre os componentes "a", "c" e "d", em ter-mos de frações molares, quais representam a alimentação no decantador "D" (corrente 7), a saída da fase leve do decantador (corrente 8) e o reciclo do reator (fase pesada do decantador, corrente 14) respectivamente?

Provas
Caderno Container