Foram encontradas 2.008 questões.
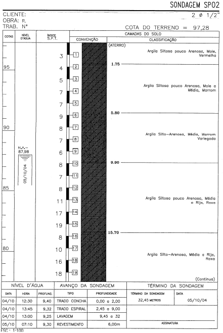
Sabendo-se que a obra de um edifício terá 4 subsolos (níveis do térreo = 100,00 e do 4º subsolo = 86,00) com escavação protegida por perfis metálicos prancheados e atirantados, e seu vizinho por uma das laterais é um prédio com 30 anos, 2 subsolos (níveis do térreo = 101,50 e do 2º subsolo = 95,00), sendo o solo local aquele configurado na sondagem abaixo, e tendo havido movimentação no piso do 2º subsolo do vizinho onde se apresentaram rachaduras paralelas à divisa comum entre os dois prédios situadas a aproximadamente 1,00m, 3,00m e 5,00m dessa divisa, além de outras anomalias apontadas pelo condomínio como sendo causadas pela construção nova.
OBS.: Os dois edifícios foram erguidos sobre fundações diretas

Com relação a algumas fissuras ou trincas encontradas, é INCORRETO afirmar que:
Provas
Sabendo-se que a obra de um edifício terá 4 subsolos (níveis do térreo = 100,00 e do 4º subsolo = 86,00) com escavação protegida por perfis metálicos prancheados e atirantados, e seu vizinho por uma das laterais é um prédio com 30 anos, 2 subsolos (níveis do térreo = 101,50 e do 2º subsolo = 95,00), sendo o solo local aquele configurado na sondagem abaixo, e tendo havido movimentação no piso do 2º subsolo do vizinho onde se apresentaram rachaduras paralelas à divisa comum entre os dois prédios situadas a aproximadamente 1,00m, 3,00m e 5,00m dessa divisa, além de outras anomalias apontadas pelo condomínio como sendo causadas pela construção nova.
OBS.: Os dois edifícios foram erguidos sobre fundações diretas

Algumas das patologias apresentadas poderiam ter sido evitadas se
Provas
Sabendo-se que a obra de um edifício terá 4 subsolos (níveis do térreo = 100,00 e do 4º subsolo = 86,00) com escavação protegida por perfis metálicos prancheados e atirantados, e seu vizinho por uma das laterais é um prédio com 30 anos, 2 subsolos (níveis do térreo = 101,50 e do 2º subsolo = 95,00), sendo o solo local aquele configurado na sondagem abaixo, e tendo havido movimentação no piso do 2º subsolo do vizinho onde se apresentaram rachaduras paralelas à divisa comum entre os dois prédios situadas a aproximadamente 1,00m, 3,00m e 5,00m dessa divisa, além de outras anomalias apontadas pelo condomínio como sendo causadas pela construção nova.
OBS.: Os dois edifícios foram erguidos sobre fundações diretas

As fissuras horizontais nas paredes de alvenaria externas do último pavimento são provocadas por
Provas
Sabendo-se que a obra de um edifício terá 4 subsolos (níveis do térreo = 100,00 e do 4º subsolo = 86,00) com escavação protegida por perfis metálicos prancheados e atirantados, e seu vizinho por uma das laterais é um prédio com 30 anos, 2 subsolos (níveis do térreo = 101,50 e do 2º subsolo = 95,00), sendo o solo local aquele configurado na sondagem abaixo, e tendo havido movimentação no piso do 2º subsolo do vizinho onde se apresentaram rachaduras paralelas à divisa comum entre os dois prédios situadas a aproximadamente 1,00m, 3,00m e 5,00m dessa divisa, além de outras anomalias apontadas pelo condomínio como sendo causadas pela construção nova.
OBS.: Os dois edifícios foram erguidos sobre fundações diretas

As fissuras, a 45º, nas faces superiores de algumas lajes são causadas por

Provas
Sabendo-se que a obra de um edifício terá 4 subsolos (níveis do térreo = 100,00 e do 4º subsolo = 86,00) com escavação protegida por perfis metálicos prancheados e atirantados, e seu vizinho por uma das laterais é um prédio com 30 anos, 2 subsolos (níveis do térreo = 101,50 e do 2º subsolo = 95,00), sendo o solo local aquele configurado na sondagem abaixo, e tendo havido movimentação no piso do 2º subsolo do vizinho onde se apresentaram rachaduras paralelas à divisa comum entre os dois prédios situadas a aproximadamente 1,00m, 3,00m e 5,00m dessa divisa, além de outras anomalias apontadas pelo condomínio como sendo causadas pela construção nova.
OBS.: Os dois edifícios foram erguidos sobre fundações diretas

Tendo o perito verificado em vistoria uma infiltração na laje do térreo em local onde se encontra uma jardineira para o subsolo sobre uma vaga de garagem, impedindo seu regular funcionamento, e tendo efetuado inspeção destrutiva e comprovando a existência de manta asfáltica como elemento impermeabilizante colocada há cerca 15 anos e com camada protetora cimentada deteriorada, e não constatando nenhuma fissura na laje, é INCORRETO afirmar que a infiltração pode ter se dado porque
Provas
Sabendo-se que a obra de um edifício terá 4 subsolos (níveis do térreo = 100,00 e do 4º subsolo = 86,00) com escavação protegida por perfis metálicos prancheados e atirantados, e seu vizinho por uma das laterais é um prédio com 30 anos, 2 subsolos (níveis do térreo = 101,50 e do 2º subsolo = 95,00), sendo o solo local aquele configurado na sondagem abaixo, e tendo havido movimentação no piso do 2º subsolo do vizinho onde se apresentaram rachaduras paralelas à divisa comum entre os dois prédios situadas a aproximadamente 1,00m, 3,00m e 5,00m dessa divisa, além de outras anomalias apontadas pelo condomínio como sendo causadas pela construção nova.
OBS.: Os dois edifícios foram erguidos sobre fundações diretas

A trinca horizontal verificada na platibanda de alvenaria no topo do edifício é decorrente de
Provas
Sabendo-se que a obra de um edifício terá 4 subsolos (níveis do térreo = 100,00 e do 4º subsolo = 86,00) com escavação protegida por perfis metálicos prancheados e atirantados, e seu vizinho por uma das laterais é um prédio com 30 anos, 2 subsolos (níveis do térreo = 101,50 e do 2º subsolo = 95,00), sendo o solo local aquele configurado na sondagem abaixo, e tendo havido movimentação no piso do 2º subsolo do vizinho onde se apresentaram rachaduras paralelas à divisa comum entre os dois prédios situadas a aproximadamente 1,00m, 3,00m e 5,00m dessa divisa, além de outras anomalias apontadas pelo condomínio como sendo causadas pela construção nova.
OBS.: Os dois edifícios foram erguidos sobre fundações diretas

A função dos tirantes ancorados é
Provas
Instruções: Para responder à questão considere o texto e a tabela abaixo.
Sabendo-se que a obra de um edifício terá 4 subsolos (níveis do térreo = 100,00 e do 4º subsolo = 86,00) com escavação protegida por perfis metálicos prancheados e atirantados, e seu vizinho por uma das laterais é um prédio com 30 anos, 2 subsolos (níveis do térreo = 101,50 e do 2º subsolo = 95,00), sendo o solo local aquele configurado na sondagem abaixo, e tendo havido movimentação no piso do 2º subsolo do vizinho onde se apresentaram rachaduras paralelas à divisa comum entre os dois prédios situadas a aproximadamente 1,00m, 3,00m e 5,00m dessa divisa, além de outras anomalias apontadas pelo condomínio como sendo causadas pela construção nova.
OBS.: Os dois edifícios foram erguidos sobre fundações diretas

A causa mais provável das rachaduras do piso do 2º subsolo é
Provas
Dados:
\(\gamma\) = peso específico da terra = 2,0 tf/m3
Kp = coeficiente de empuxo passivo = 2,0
Ea = 3,0 tf/m

Provas
Dados:
Comprimento da barra = 12,0 m
Módulo de elasticidade do aço
(E) = 2 × 106 Kgf/cm2
Provas
Caderno Container