Foram encontradas 825 questões.
Deseja-se instalar um circuito de alimentação de um motor monofásico de 5 CV, 220 V, rendimento de 90% e fator de potência de 0,75. Independente das demais condições do circuito (temperatura ambiente, agrupamento de circuitos no eletroduto, tipo de eletroduto, distância entre carga e o quadro de distribuição e seção dos condutores do circuito), é necessário que o disjuntor termomagnético de proteção do circuito deva ter corrente nominal (IN) de acordo com a condição:
Provas
O dispositivo que atua quando a relação “potência ativa/potência aparente” de uma instalação sai de limites predeterminados é denominado relé
Provas
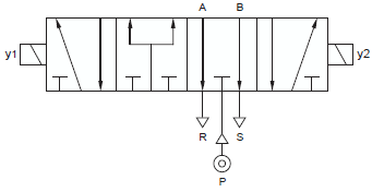
Considere o dispositivo abaixo.

Trata-se de uma válvula eletropneumática
Provas
Um para-raios tipo Franklin com captor de 10 m de altura e nível de proteção II tem ângulo de proteção de 35°°. Nesse caso, a zona de proteção cônica criada por ele tem base com área aproximada de
Dados:
sen 35° = 0,57
cos 35° = 0,82
tg 35° = 0,70
Provas
Considere as seguintes proposições relativas a esquemas de aterramento:
I. O esquema TT possui um ponto da alimentação diretamente aterrado, normalmente uma fase do secundário do transformador, enquanto que as massas da instalação devem ser ligadas ao neutro.
II. O esquema TN possui um ponto da alimentação diretamente aterrado, estando as massas da instalação ligadas a esse ponto por condutores de proteção.
III. O esquema IT possui um ponto da alimentação diretamente aterrado, normalmente o neutro do secundário do transformador, e possui os condutores neutros e de proteção separados, estando as massas da instalação ligadas ao condutor de proteção.
Está correto o que se afirma APENAS em
Provas
Considere as duas lâmpadas abaixo:
L1 = incandescente − 127 V − 100 W − 1500 lúmens − custo: R$ 3,00
L2 = fluorescente compacta − 127 V − 20 W − FP: 0,50 − 1500 lúmens − custo: R$ 15,00
Sabendo que o custo da energia elétrica é R$ 0,40/kWh e que as lâmpadas serão utilizadas diariamente durante 8 horas, quantos dias inteiros serão necessários para que a lâmpada fluorescente compacta passe a ser mais econômica que a incandescente?
Provas
O transformador a óleo de uma cabine primária está sujeito a alterações de temperatura em seu interior provocadas por variações da carga e da temperatura ambiente. Tais alterações causam variações no volume do óleo no tanque. Por isso, o transformador dispõe de um compartimento cuja função é compensar as variações no volume do óleo, denominado
Provas
Considere o esquema ilustrativo abaixo:

De acordo com a Tabela 33 da NBR 5410, trata-se do método de instalação:
Provas
O recurso usado para diferenciar a tomada padrão de 10 A da outra de 20 A, em conformidade com a NBR 14136, é
Provas
A instalação elétrica de uma empresa tem as potências instaladas seguintes: 190 kVA e 140 kW. A potência reativa é provocada por tornos, fresas e outras máquinas a motores. Para que se obtenha um fator de potência aproximadamente unitário é necessário acrescentar à instalação uma potência reativa
Provas
Caderno Container