Foram encontradas 915 questões.
Assinale a alternativa que retrata as condições iniciais para locação de obras de edificação.
Provas
A respeito da locação de estradas, é correto afirmar que a materialização no campo do traçado de projeto para estradas é obtido por meio de
Provas
Com base na aplicação das cotas em desenho técnico, assinale a alternativa correta.
Provas
Com relação à utilização de ferramentas CAD, assinale a alternativa correta.
Provas
É uma ferramenta aplicada aos serviços de instalações elétricas, que armazena o calor produzido por uma chama ou resistência elétrica e o transfere para as peças a serem unidas. Os principais tipos são: comuns, a gás e elétricos. Assinale a alternativa que apresenta o nome dessa ferramenta.
Provas

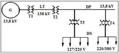
O diagrama apresentado representa um sistema de geração, transmissão e distribuição de energia elétrica. LT = linha de transmissão, DP = distribuição primária e DS = distribuição secundária. Com base nessas informações, assinale a alternativa que determina a função de cada transformador.
Provas

A presença de harmônicas significa que a onda de tensão está deformada. Essa deformação indica que a distribuição de energia elétrica está sendo perturbada e que a “qualidade de energia” não está ótima. Observe o gráfico 1, determine a ordem da harmônica presente e assinale a alternativa que contempla esse valor.
Provas
A manutenção sistemática, com o objetivo de reduzir ou evitar falhas em equipamentos ou instalações elétricas, e a manutenção causada por danos atuais são, respectivamente, manutenções do tipo
Provas
Ao executar projetos de instalações elétricas, seja predial ou industrial, deve-se tomar cuidado com as tomadas elétricas em relação à posição de neutro, fase e terra, obedecendo às novas orientações normativas. Considerando como referência a tomada de frente para o usuário e o furo central para baixo, assinale a alternativa correta com relação às posições da tomada nessa situação.
Provas
As etapas seguidas por projetistas, ao elaborarem projetos de instalações elétricas prediais, são análise inicial, fornecimento de energia normal, quantificação da instalação, esquema básico da instalação, seleção e dimensionamento dos componentes, especificações e contagem dos componentes.
É importante frisar que, em muitos casos, a ordem pode ser alterada, etapas podem ser suprimidas ou, ainda, unidas duas ou mais, formando uma só. Acerca desse tema, assinale a alternativa correta em relação à etapa de quantificação da instalação.
Provas
Caderno Container