Foram encontradas 1.200 questões.
Se uma corrente passa por uma bobina e varia de 12 A para 20 A em 1 segundo, calcule a indutãncia dessa bobina, sabendo que ela induz 20 V, e assinale a opção correta.
Provas
- Modelo TCP/IPModelo TCP/IP: Camada de Transporte
- TCP/IPTCP: Transmission Control Protocol
- Transmissão de DadosTransmissão de Multimídia, Streaming e VozH.323 e Correlatos
- Transmissão de DadosTransmissão de Multimídia, Streaming e VozVoIP: Voice over IP
Um dos protocolos de controle de chamada mais utilizados no VolP é o H.323. Durante o processo de setup, qual porta é utilizada?
Provas
Osciladores a cristal estão presentes em diversos circuitos de telecomunicações. Esses cristais possuem uma propriedade característica denominada de efeito:
Provas
Para um sinal senoidal perfeito, assinale a opção correta.
Provas
A frequência de amostragem adotada internacionalmente em aplicações de telefonia é:
Provas
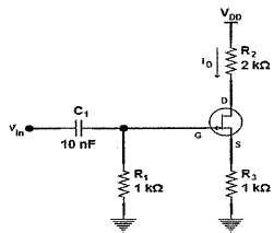
Ao analisar um diagrama esquemático de um amplificador, um militar observou o circuito apresentado abaixo.

Para o circuito em questão, determine o valor de VGS e assinale a opção correta.
Dados: Vin = 5 VAC; VDD = 12 VDC; C1 = 10 nF; iD = 1 mA; e transistor FET ideal.
Provas
Considere o gráfico abaixo e assinale a opção que apresenta a frequência normalizada que corresponde a uma fibra óptica monomodo.

Provas
A modulação FM pode ser direta ou indireta. Sobre essas modulações, assinale a opção correta.
Provas
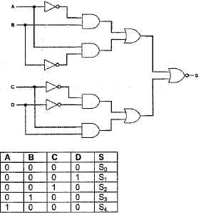
Uma matriz de àudio localizada em um navio possui o circuito lógico apresentado abaixo em seu diagrama esquemático.

Considerando as entradas lógicas A, B, C, e D da tabela acima, quais são os níveis lógicos S0, S1, S2, S3 e S4 observados, respectivamente?
Provas
Com relação à potência recebida em uma antena, assinale a opção correta:
Provas
Caderno Container