Foram encontradas 1.200 questões.
Um militar desenhou o circuito de um filtro com capacitor e resistor para melhorar a recepção de uma antena, conforme a figura abaixo.

Considerando o diagrama do filtro criado, de que tipo ele seria?
Provas
Assinale a opção que completa corretamente as lacunas da sentença abaixo.
A propagação ionosférica ocorre, principalmente, com as ondas da faixa de , . Em função do ângulo de partida da antena .
Provas
Qual é a categoria da modulação AM que possui característica de banda lateral simples?
Provas
Com relação à sintonia de uma antena, assinale a opção correta.
Provas
Sobre as linhas de transmissão, assinale a opção correta.
Provas
Um militar verificou os sinais de portadora e saída (sinal modulado) de um circuito em um osciloscópio apresentados abaixo.

Com base nessas informações, qual é o tipo de modulação empregada no circuito verificado?
Provas
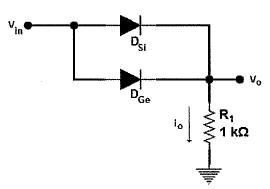
Considere o circuito abaixo.

Com base nessas informações, qual é a corrente i0 medida em um amperímetro?
Dados: Vin= 5 VDC: VD_si = 0,7 V; e VD_Ge = 0,3 V.
Provas
Em um circuito elétrico há um capacitor de 6 μF conectado a uma fonte de tensão ideal de 15 V e 800 Hz. Assim, qual é o valor da corrente no circuito?
Provas
Considere o circuito, o trem de bits de entrada de informação e o clock abaixo apresentados.

Com base nessas informações, quais são os níveis lógicos das saídas Q3, Q2 , Q1 e Q0 , respectivamente, esperadas após a transição do 6° pulso de clock?
Dados: O flip-flop muda a saída na transição negativa do clock; e os estados iniciais de saída dos flip-flops são: Q3 = 0, Q2 = 0, Q1 = 0 e Q0 = 0.
Provas
Assinale a opção que completa corretamente as lacunas da sentença abaixo.
"Podemos dividir os tipos de propagação em três grandes grupos, a saber: , onde a superfície da Terra se comporta como um condutor para a onda eletromagnética; , onde o princípio da propagação encontra-se na reflexão da onda nas camadas ionosféricas; e , onde a propagação se dá como um facho de luz, apenas em linha reta, sujeita aos fenômenos de reflexão, difração e absorção em obstáculos."
Provas
Caderno Container