Foram encontradas 900 questões.
- TCP/IPSub-redes, Máscara e Endereçamento IP
- TCP/IPIPv4
- Transmissão de DadosTransmissão de Multimídia, Streaming e VozH.323 e Correlatos
Assinale a opção que preenche corretamente as lacunas da sentença abaixo.
O exemplo simples abaixo, de mensagem para estabelecimento de sessão, indica que o protocolo deverá ser usado para encapsular a mídia e que o agente usuário remetente espera receber o áudio no endereço IP .
INVITE abc@193.65.21.230
c=IN IP4 167.183.13.137
m=áudio 38409 RTP/AVP 0
Provas
Os sinais para estabelecimento de uma chamada são enviados no mesmo circuito pelo qual trafega o sinal de voz, em sistemas que utilizam a sinalização por canal:
Provas
Dentre as primitivas de serviço que poderiam ser oferecidas para a implementação de uma conexão simples, qual das primitivas abaixo tem como significado "bloco que espera por uma mensagem de entrada"?
Provas
- Protocolos e ServiçosInternet e EmailHTTP: Hyper Text Transfer Protocol
- Protocolos e ServiçosInternet e EmailSMTP: Simple Mail Transfer Protocol
São exemplos de protocolos da camada de aplicação do modelo TCP/IP:
Provas
Calcule o valor de b que satisfaça a equação abaixo e assinale a opção correta.
b = log(10b) + log( !$ \sqrt{b+2} !$) + log(0,1)
Provas
Observe o circuito abaixo.

O circuito combinacional apresentado na figura acima, no qual as entradas binárias são dadas por A e B e as saídas binárias são dadas por S e T, representa um circuito do tipo:
Provas
Sendo um determinado endereçamento de rede IP igual a 192.168.0.16/28 e considerando o menor endereço como endereço de rede e o maior como endereço de broadcast, qual é o último (ou maior) endereço IP que poderá ser atribuído a um host dessa rede?
Provas
Observe as figuras abaixo.

As figuras acima representam quais filtros?
Provas
- Transmissão de DadosTransmissão de Multimídia, Streaming e VozSIP: Session Initiation Protocol
- Transmissão de DadosTransmissão de Multimídia, Streaming e VozVoIP: Voice over IP
Qual componente do sistema de telefonia IP fornece a tradução do áudio quando uma chamada passa entre duas redes IP que utilizam diferentes codificadores?
Provas
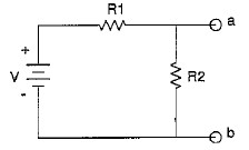
Dado o circuito abaixo, calcule o valor da fonte de tensão equivalente Thevenin observada pelos terminais "a" e "b" e assinale a opção correta.

Dados: V = 20 v
R1 = 16 ohms
R2 = 4 ohms
Provas
Caderno Container