Foram encontradas 900 questões.
Em um sinal modulado em FM, sabe-se que a máxima frequência do sinal modulante é de 1 MHz e que a banda ocupada pelo sinal modulado é de 3MHz. Sendo assim, qual é o desvio de frequência máxima do sinal modulado?
Provas
Um sinal possui potência de 2W e passará por um estágio de amplificação com ganho de 6dB. Calcule o valor de potência desse sinal após a amplificação e assinale a opção correta.
Provas
Simplificando a expressão booleana S = B!$ \bar C !$D + !$ \bar A !$CD + BC!$ \bar D !$ + ACD, obtém-se:
Provas
Considere o circuito elétrico abaixo, contendo uma carga Z alimentada por uma corrente i(t)=5sen(10t + 50º)A e uma tensão dada por v(t)= 5sen(10t -10º)V. Sendo assim, calcule o valor do fator de potência (Fp) obtido nesse circuito e assinale a opção correta.

Provas
A banda base de um sinal analógico obtido na saída de um MUX FDM é de 24Mhz. Sabendo que na entrada do MUX FDM há 48 canais, qual é a banda base de cada canal?
Provas
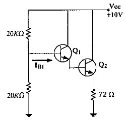
O circuito mostrado na figura abaixo representa dois transistores montados com conexão Darlington.

Sabendo que os ganhos de corrente para os dos transistores acima valem !$ β !$1 = !$ β !$2 = 100, o valor da corrente lB1 é
Provas
O espectro de rádio é subdividido em várias regiões conhecidas como bandas ou faixas de ondas. Em relação aos tipos de aplicações predominantes na radiocomunicação, analise as afirmativas abaixo.
I- Comunicações na faixa de HF são amplamente utilizadas no mundo devido ao proveito do fenômeno exclusivo de reflexão na ionosfera.
II- Comunicações na faixa do ELF são utilizadas preferencialmente em transmissões via satélite, quando há a necessidade de enlaces de grande capacidade.
III- Comunicações na faixa do SHF são utilizadas principalmente em enlaces de comunicação ponto a ponto e têm como desvantagem a facilidade de bloqueio por obstáculos físicos e enfraquecimento por chuva e nuvens.
IV- Comunicações na faixa de VHF são utilizadas por operadoras de telefonia celular para a transmissão de conteúdo das estações rádio-base aos terminais de acesso (telefones).
Assinale a opção correta.
Provas
Assinale a opção que apresenta o tipo de sinalização que ocorre entre os juntares das centrais telefônicas e compreende, dentre outros, os sinais de Atendimento, Ocupação e Desligar para frente.
Provas
A máscara da sub-rede 192.168.224.0/19 pode ser representada por:
Provas
Observe o circuito abaixo.

O circuito apresentado na figura acima é alimentado por uma fonte senoidal. Sendo assim, a tensão gerada na carga RL é um sinal
Provas
Caderno Container