Foram encontradas 100 questões.
Em relação aos tipos de instrumentos de medidas, coloque V (Verdadeiro) ou F (Falso), e em seguida, assinale a opção que apresenta a sequência correta.
( ) Para que um instrumento do tipo bobina móvel possa ser utilizado para medir a tensão contínua, é necessário inserir uma resistência em paralelo aos seus terminais.
( ) Os instrumentos do tipo ferro móvel são utilizados na medição de corrente alternada, sem necessidade de retificadores.
( ) Os instrumentos do tipo eletrodinâmicos baseiam-se na ação mútua dos campos gerados por uma bobina fixa e por outra móvel.
Provas
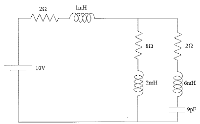
Observe a figura a seguir.

Qual é o valor da corrente fornecida pela fonte no circuito representado acima, considerando que este circuito opera em regime permanente?
Provas
Em relação ao motor de corrente contínua, analise as afirmativas abaixo e assinale, em seguida, a INCORRETA.
Provas
Considere um condutor de cobre confeccionado em uma temperatura T, com comprimento L e seção reta circular de diâmetro D. Se o mesmo condutor de cobre for confeccionado na mesma temperatura, mas com o dobro do comprimento e o dobro do diâmetro, é correto afirmar que a
Provas
Observe a figura a seguir.

Em relação ao circuito acima, assinale a opção que apresenta o efeito produzido sobre a corrente I1 pela fonte V1, em amperes.
Provas
Considere que foi realizada uma medida fazendo uso de um voltímetro de 500V de fundo de escala. O valor de tensão obtido na medida foi 10V.
Sabendo que o índice da classe de exatidão do instrumento é de 0,05, determine o erro absoluto desta medida, e assinale a opção correta.
Provas
Com relação à indutância de uma bobina, é correto afirmar que:
Provas
Uma partícula carregada eletricamente penetra com velocidade v numa região sem atrito e sujeita a um campo magnético que é constante e perpendicular ao movimento desta partícula. Se uma segunda partícula com massa e carga idênticas à primeira, penetrar perpendicularmente ao campo com uma velocidade maior, pode-se afirmar que as duas cargas
Provas
Observe a figura a seguir.

Dado: Permeabilidade magnética do material !$ \mu !$ = 2.10-3 T. m / A e
Qual é o valor da corrente que deve ser aplicada à bobina de 20 espiras do circuito magnético representado acima para se obter uma densidade de fluxo igual a 0,2 Tesla no interior do material magnético?
Provas
Com relação à reatância indutiva nos circuitos de corrente alternada, assinale a opção INCORRETA.
Provas
Caderno Container